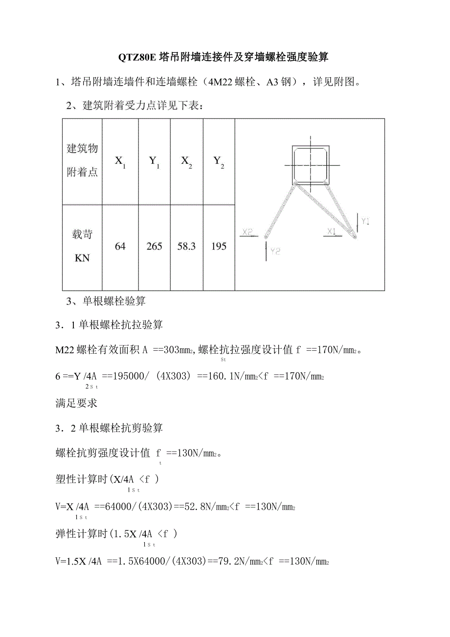
QTZ80E 塔吊附墙连接件及穿墙螺栓强度验算1、塔吊附墙连墙件和连墙螺栓(4M22螺栓、A3钢),详见附图3.1 单根螺栓抗拉验算M22螺栓有效面积A ==303mm2,螺栓抗拉强度设计值f ==170N/mm2St6 ==Y /4A ==195000/ (4X303) ==160.1N/mm2
St6 ==f/6A ==102400/ (6X303) ==56.3N/mm2
t6 ==f /6A ==170000/ (6X303) ==93.5N/mm2Vf ==170N/mm2 (取 f 拉3 S t 3力较大值,满足要求3.2 单根螺栓抗剪验算螺栓抗剪强度设计值f ==130N/mm2t塑性计算时(X/4A Vf )1 S tV=f/6A ==150000/ (6X303) ==82.5N/mm2Vf ==130N/mm2 (取 f 剪力3 S t 4较大值)弹性计算时(1.5X /4A Vf )1 S tV=1.5f /6A ==1. 5 X 150000/ (6 X 303)==123. 76N/mm2Vf ==130N/mm23 S t均满足要求4、撑杆连接钢板验算4.1 连接钢板抗拉验算钢板抗拉、抗压和抗弯强度设计值 f=215N/mm2钢板按孔洞处最小截面计算,截面2A =140-50X20X2=3600mm2S6 ==f/2A ==170000/3600==47N/mm2Vf ==215N/mm2 (取 f 拉力较大数4 S t 3值)满足要求4.2 连接钢板抗剪验算钢板抗剪强度设计值 f=125N/mm2塑性计算时(X/4A Vf )1 S tV=f /2A ==150000/3600==41.6N/mm2Vf ==125N/mm2 (取 f 拉力较大数3 S t 4值)弹性计算时(1.5X /4A Vf )1 S tV=1.5f/2A==1.5X150000/3600==62.5N/mm2Vf==125N/mm23 S t均满足要求5、焊缝隙验算5. 1焊缝高度h=6 mm 焊缝强度查表得fw =160N/mm2f5. 2 焊缝强度验算钢板双面焊,焊缝长度L =140X2X2=560 则强度公式:4/工(h l )W f wW160Nmm2170000/560 X6==50.6N/mm2