文档详情

康铜、锰铜、铜镍线参数

m****
实名认证
店铺
DOCX
15.28KB
约3页
文档ID:472793248
康铜、锰铜、铜镍线参数_第1页
1/3

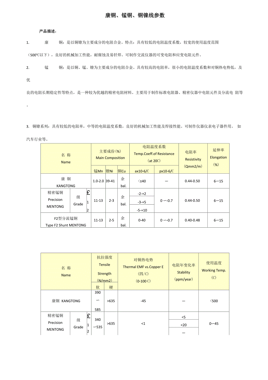
康铜、锰铜、铜镍线参数产品描述:1. 康 铜:是以铜镣为主要成分的电阻合金特点:具有较低的电阻温度系数,较宽的使用温度范围(500°C以下),良好的机械加工性能,耐腐蚀及易钎焊可制作交流仪器的可变电阻和应变电阻元件2. 锰 铜:是以铜、锰、镣为主要成分的电阻合金具有较高的电阻率,很小的电阻温度系数和对铜热电势低,及优良的电阻长期稳定性等特点,是一种较为优越的精密电阻材料主要用于制作标准电阻器、精密仪器中电阻元件及分流电 阻等3. 铜镣系列:具有较低的电阻率,中等的电阻温度系数,良好的机械加工性能及焊接性能可制作仪器仪表电子器件用 如汽车行业等名 称Name主要成份(%)Main Composition电阻温度系数Temp.Coeff.of Resistance(at 20C)电阻率Resistivity (Qmm2/m)延伸率Elongation(%)锰Mn镣Ni铜Cuax10-6/Cpx10-6/C康 铜KANGTONG1.0-2.039-41余bal.<±40—0.44-0.506〜15精密锰铜PrecisionMENTONG级Grade£11-132-3余bal.-2-+20 〜-0.70.44-0.506〜151-3-+52-5-+10F2型分流锰铜Type F2 Shunt MENTONG11-132-5余bal.0-400 〜-0.70.40-0.486〜15名 称Name抗拉强度TensileStrength (N/mm2)对铜热电势Thermal EMF vs.Copper E(四/C)(0-100 C)电阻年变化率Stability (ppm/year)使用温度Working Temp.(C)软硬康铜 KANGTONG390〜585>635-45—<500精密锰铜PrecisionMENTONG级Grade£340〜535>635<1<50〜451<202—F2型分流锰铜Type F2 Shunt MENTONG390〜585>585<2—0 〜100漆包线击穿电压值按下表规定:标称直径Nominal Diameterd (mm)最小击穿电压(有效值)Min.Breakdown Voltage (RMS)标称直径Nominal Diameterd (mm)最小击穿电压(有效值)Min.Breakdown Voltage (RMS)I型Type III型Type III型Type III型Type II0.125 〜0.16110020000.02601300.002〜0.25140025000.025-0.031002000.315 〜0.4170030000.004-0.051703000.005 〜0.71230040000.063-0.082505000.008〜0.8260047000.008-0.13006000.112 〜1.2529005100>1.25 〜1.530005300注:标称直径<0.1mm圆棒法,〉0.1mm扭绞法。

五个试样中至少有四个试样击穿电压符合表中的规定4.镍铭铝铁(又名“卡玛”):电阻率较锰铜高2〜3倍,并有较低的电阻温度系数和低的对铜热电势,良好的电阻长期稳定性和抗氧化性能其二 次温度系数比锰铜低,所以电阻、温度曲线比较平坦,故使用温度范围较锰铜为宽(-60〜300°C)适用于制造精密微形 电阻元件及应变片但焊接性能较康铜、锰铜差漆包线由于漆膜耐热关系,只适用于制作-55〜130C范围内电阻元件名 称Name主要成份Main Composition(%)电阻温度系数Temp.coeff.ofResistance a (X10-6/C)电阻率Resistivity(Qmm2/m)铭Cr铝Al铁Fe镍Ni锰Mn硅Si镍铭铝铁Ni-CrAlFe级Grade01219 〜212.5 〜3.52〜3余bal±51.33±5%±10±20镍铝锰硅Ni-Cr-Mn-Si17 〜18余bal3〜43〜4±401.2 〜1.4名 称Name伸长率Elongatian(%)抗拉强度Tensile Strength (N/mm2)对铜热电势Themmal EMF vs.Copper(uv/ C)(0 〜100C)裸线使用最高温度Max working temp(C)镍铭铝铁Ni-CrAlFe级Grade012>7>780<2.5<300镍铝锰硅Ni-Cr-Mn-Si10 〜20>980<1.0<300注:线径规格:0.02〜1.00mm。

下载提示
相似文档
正为您匹配相似的精品文档