文档详情

乾燥設備(烘箱)每年定期檢查紀錄表

gg****m
实名认证
店铺
DOC
312KB
约11页
文档ID:230620558
乾燥設備(烘箱)每年定期檢查紀錄表_第1页
1/11

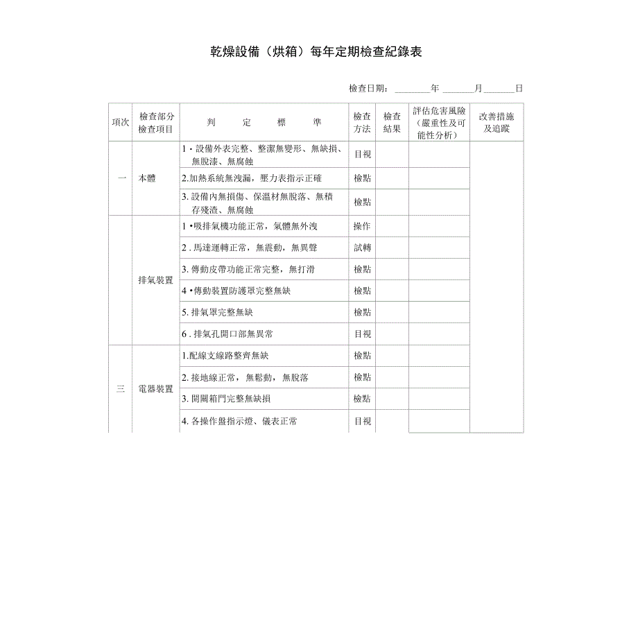
乾燥設備(烘箱)每年定期檢查紀錄表檢查日期: 年 月 日項次檢查部分 檢查項目判 定 標 準檢查 方法檢查 結果評估危害風險 (嚴重性及可 能性分析)改善措施 及追蹤一本體1・設備外表完整、整潔無變形、無缺損、 無脫漆、無腐蝕目視2.加熱系統無洩漏,壓力表指示正確檢點3.設備內無損傷、保溫材無脫落、無積 存殘渣、無腐蝕檢點排氣裝置1 •吸排氣機功能正常,氣體無外洩操作2 .馬達運轉正常,無震動,無異聲試轉3.傳動皮帶功能正常完整,無打滑檢點4 •傳動裝置防護罩完整無缺檢點5.排氣罩完整無缺檢點6 .排氣孔開口部無異常目視三電器裝置1.配線支線路整齊無缺檢點2.接地線正常,無鬆動,無脫落檢點3.開關箱門完整無缺損檢點4.各操作盤指示燈、儀表正常目視四加熱系統1.溫度計(表)指示正常目視五其他1.設置位置適當,周圍無易燃物及過熱 之虞檢點2.置有隔熱手套、耐熱圍裙等防護具檢點說 明1. 檢查結果:正常打/,有必要加以特別保養打厶,異常須送修或改善打X2. 檢查於發現有異常時,應立即檢修及採取必要措施3. 本表依據行政院勞工委員會「勞工安全衛生組織管理及自動檢查辦法」規定,應保存三年檢查人 員簽章實驗場 所負責 人簽章單位主 管簽章東海大學—學年度食品科學系/中心食品微生物研究室實驗場所 有機溶劑作業每週定期檢點紀錄表項 次檢查部分 檢查項目判 定 標 準檢杳方法檢 查 結 果評估危害風 險(嚴重性及 可能性分析)改善措施 及追蹤第一週第二週第三週第四週第五週■ ■通風設備 運轉狀況 (排氣罩)1.氣罩導管應無磨損、腐蚀、凹凸、損傷或洩漏檢點2.氣罩、導管及排氣機應無堆積塵埃檢點3.應無外來氣流影響氣罩效率檢點4.附有蓋窗之排氣櫃並隨手蓋上蓋窗檢點5.應無馬達故障或馬達皮帶滑移、鬆弛檢點二空氣流通 效果1.作業場所維持負壓檢點2.空氣流通狀X應良好,無新增t殳備影響空氣流動檢點3 .排氣風量足夠,保持無異味測試 嗅三勞工作業 情形1.有機溶劑使用、儲存處所應標示其種類、 名稱及注意事項目視2 .未直接接觸有機溶劑操作3.人員穿戴工作服、隔絕手套檢點4.必要時使用防毒口罩或護目鏡等防護具檢點5.溶劑容器有加蓋密封聽6.作業區不可放置食物、不可有人飲食檢點四劑存情 一 B」1.檢點本週有機溶劑消費量是否超出規定 或原設計範圍內檢點2.非當天所需使用之大量溶劑,不可放置於 室內作業場所目視3.廢溶劑已經適當回收於專用廢液桶內目視說1 •檢查結果:正常打/,有必要加以特別保養打厶,異常須送修或改善打X。

2. 檢查於發現有異常時,應立即檢修及採取必要措施3. 本表依據行政院勞工委員會「勞工安全衛生組織管理及自動檢查辦法」規定,應保存三年檢查日期: 年 月 日實驗場 所負責 人簽章單位主 管簽章檢查人 員簽章特定化學物質作業每月檢點紀錄表檢查日期: 年 月 日項次檢查部分 檢查項目判 定 標 準檢查方法檢查 結果評估危害風險 (嚴重性及可能 性分析)改善措施 及追蹤一除污劑 (器)1・除卻危害之必要藥劑、器具應備妥檢點二沖洗清潔 設備1.洗眼設備已設置且保持隨時可用狀況測試2.緊急沖淋設備已設置且保持隨時可用狀況測試3.沐浴、漱口、更衣及洗衣設備已設置 且保持隨時可用狀況測試三防護具1.每位特化作業人員有發給合格有效之 呼吸防護具、防護眼鏡、不浸透性防 護衣、防護手套、防護鞋及塗敷劑檢點2.上列防護具應保持其性能及清潔檢點四局部排氣 裝置1.氣罩導管應無磨損、腐蝕、凹凸、損壞檢點2.導管及排氣機應無積存特定化學物質檢點3.導氣管銜接部位應密合,無洩漏檢點4.排氣機轉動應無異音檢點5•傳動皮帶應無鬆弛、護罩應完整檢點6.通風狀況應良好檢點7.空氣清淨裝置應正常檢點五其他1•應置備裝受特定化學物質污染之破布 、紙屑之不浸透性容器,並加栓、蓋檢點2.應備有適當之容器從事特定化學物質 之搬運或儲存檢點3.禁止在特定化學物質實驗場所吸菸或 飲食,且應將其意旨揭示於該實驗場 所場所之顯明易見處檢點說明1 •檢查結果:正常打/,有必要加以特別保養打厶,異常須送修或改善打X。

2•檢查於發現有異常時,應立即檢修及採取必要措施3.本表依據行政院勞工委員會「勞工安全衛生組織管理及自動檢查辦法」規定,應保存三年檢查人 員簽章實驗場 所負責 人簽章單位主 管簽章緊急沖淋洗眼設備每月定期檢查紀錄表檢查日期: 年 月 日項次檢查部分 檢查項目判 定 標 準檢查方法檢查 結果評估危害風險 (嚴重性及可能性分析)改善措施及 追蹤一設置場所1.周圍通道無障礙物,地面整潔平坦 (溝、洞有防護設備)檢點二機體1.無銹蝕、損壞、變形、組件(寒件 )欠缺、鬆動等情形檢點2.各功能正常、無漏水檢點三水管1.主閥保持常開,接頭密合、不漏水 ,閥柄無損壞、變形檢點2•控制閥(長柄或腳踏)機能正常, 噴撒頭整潔、無雜物阻塞測試四水源1•確認水壓、水溫均適當操作2•確認水質無污濁情形操作五排水管1 •保持順暢、無漏水測試六標示或指示1・保持鮮明易見檢點說明1 •檢查結果:正常打/,有必要加以特別保養打厶,異常須送修或改善打X2•檢查於發現有異常時,應立即檢修及採取必要措施3.本表依據行政院勞工委員會「勞工安全衛生組織管理及自動檢查辦法」規定,應保存三年檢查人 員簽章實驗場 所負責 人簽章單位主 管簽章東海大學—學年度食品科學系/中心食品微生物研究室實驗場所 安全防護具檢點紀錄表項 次檢查部分 檢查項目判定標準數量檢查 方法檢 查 日 期 及 檢 查 結 果評估危害 風險(嚴重 性及可能性分析)改善措 施及 追蹤1月2月3月4月5月6月7月8月9月10月11月12月安全帽1.各配件完整、無破損檢視二面 罩1 •配件完整、鏡面清潔、無裂痕檢視三護目鏡1•防護眼鏡無破損、堪用檢視四耳 塞1.耳塞(罩)完整與清潔檢視五手 套1.防護手套完整無破損檢視六安全鞋1・無變形、缺損、堪用檢視七防護衣1.清潔、無破損檢視八防塵口罩1 •清潔、過濾片堪用檢視九防毒口(面)罩1.濾毒罐無過期、堪用檢視2.濾毒罐應依危害類別使用、 堪用檢視十安全帶1.安全帶無損傷、裂痕檢視檢 查 人 員 簽 章說明1•檢查結果:正常打/,有必要加以特別保養打厶,異常須送修或改善 打X 2•檢查於發現有異常時,應立即檢修及採取必要措施。

3.本表依據行政院勞工委員會「勞工安全衛生組織管理及自動檢查辦 法」規定,應保存三年實驗場所 負責人 簽 章單 位主 管簽 章 東海大學—學年度食品科學系/中心食品微生物研究室實驗場所 急救箱檢點紀錄表項 次檢查部分 檢查項目判定標準數量檢查 方法檢 查 日 期 及 檢 查 結 果評估危害 風險(嚴重 性及可能性分析)改善措 施及 追蹤1月2月3月4月5月6月7月8月9月10月11月12月消毒紗布1.清潔、無污染目視二消毒棉花1.清潔、無污染目視三止血帶1.完整無破損目視四膠 布1.清潔、無破損目視五三角巾1.清潔、無破損目視六普通剪刀1.清潔、無變形、破損、堪用測試七無鉤编子1.無變形、缺損、堪用測試八夾 板1.無變形、缺損、堪用目視九繃 布1.清潔 無破損目視十安全別針L無變形♦缺損♦堪用目視十優 碘1.有效期限未過期目視檢 查 人 員 簽 章說明14僉查結果:正常打/,有必要加以特別保養打厶,異常須送修或改善 打X 2•檢查於發現有異常時,應立即檢修及採取必要措施3.本表依據行政院勞工委員會「勞工安全衛生組織管理及自動檢查辦 法」規定,應保存三年實驗場所 負責人 簽 章單 位主 管簽 章。

下载提示
相似文档
正为您匹配相似的精品文档