文档详情

省安全生产应急救援基地建设基本标准配备

博****1
实名认证
店铺
DOC
850KB
约21页
文档ID:486126675
省安全生产应急救援基地建设基本标准配备_第1页
1/21

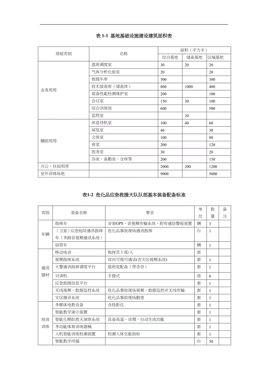
表1-1 基地基础设施建设建筑面积表房屋类别名称面积(平方米)综合基地储备基地区域基地业务用房值班调度室302020气体分析化验室2020救援车库500300技术装备库(储备库)8001000400装备性能检测维护室200100会议室15030100综合训练馆600500监控室20辅助用房休息待机室1004060阅览室4030文体室10080食堂200120医务室3020浴室、备勤室、仓库等200150办公、住宿用房20002001200室外训练场地90005000表1-2 危化品应急救援大队队部基本装备配备标准类别装备名称要求单位数量备注车辆指挥车安装GPS、音视频传输系统,附有通信警报装置辆 3(卫星)应急抢险通讯指挥车(多路音视频通讯系统)危化品事故现场通讯指挥台 1宿营车辆 1通讯器材移动指挥员1部/人部视频指挥系统双向可视可通话(含灾区视频系统) 套1火警通讯指挥调度平台值班室配备(带录音)套 1对讲机手提式部 6应急救援信息平台套 1无线视频、数据监控系统危化品事故现场视频、数据监控并无线传输套 1灾区摄录系统危化品事故现场勘查套 1培训训练多媒体电教设备含投影仪套1智能教学演示装置套 1智能化模拟救灾演练系统具备高温、浓烟、自动生成功能套 1多功能体育训练器械套 1人机智能训练检测装置 检测人体生能指标套 1智能教学终端台 50信息处理设备机复印机台 1台 8速印机台 1台式计算机指挥员1 台/人台笔记本电脑配无线网卡台 2数码摄像机防爆台 1数码照相机防爆台 1防爆射灯防爆台 2抢险救援装备威廉姆斯炮用于扑救大型油罐火灾的移动救援设施,有多辆救援车或多个消火栓通过水带向移动炮的进水口供水,依靠供水的压力从炮口喷射灭火。

门 3“雪炮陆虎”消防机器人用于隧道、有毒场所等特殊火场的扑救台 2美国大力移动水/泡沫两用炮3000 升/分危化品事故现场灭火、稀释门 9危化品数据检索系统(含软件)危化品检索查询套 3便携式氧气自动复苏机危化品事故现场人员急救套 3多功能气体检测仪危化品事故现场侦检台 9远距离无线气体视频监测仪危化品事故现场勘查套 2热成像仪本质安全型台 1车载发电机辆1表1-3 消防中队基本装备配备标准类别器材名称主要用途及要求配备备份备注抢险救援车辆种类灭火抢险救援车大功率、大吨位泡沫抢险救援车3干粉抢险救援车1举高抢险救援车登高平台抢险救援车13种车型种选择一种云梯抢险救援车举高喷射抢险救援车专勤抢险救援车多功能抢险救援车11排烟抢险救援车或照明抢险救援车1选配危险化学品事故抢险救援车或防化洗消抢险救援车1通信指挥抢险救援车1供气抢险救援车1选配后勤抢险救援车自装卸式抢险救援车(含器材保障、生活保障、供液集装箱)1选配器材抢险救援车或供水抢险救援车1选配灭火器材机动手抬泵(含浮艇泵)3台移动式水带卷盘或水带槽3个移动式消防炮8个A、B类比例混合器、泡沫液桶、空气泡沫枪2套二节拉梯 3三节拉梯2挂钩梯3水带280m扳手、水枪、分水器、接口、包布、护桥等常规器材工具按所配车辆技术标准要求配备侦检器材有毒气体探测仪具备自动识别、防水、防爆性能。

能探测有毒、有害气体及氧含量2套军事毒剂侦检仪侦检化学战剂,具备防水、感应时间短等性能,与有毒气体探测仪相兼容的,可不单独配置1套可燃气体检测仪检测事故现场易燃易爆气体,可检测多种易燃易爆气体的浓度2套水质分析仪定性分析液体内的化学成分选配电子气象仪检测事故现场的风向、风力、温度、湿度、气压、风速1套音频生命探测仪建筑倒塌等灾害现场搜寻人员测定被困人员位置1台音频、视频视频生命探测仪建筑倒塌等灾害现场搜寻人员具备多探头探测,通过探测器的视频探头,确定被困人员位置及状态1台功能合一的可选1台雷达生命探测仪建筑倒塌等灾害现场搜寻人员选配热像仪事故现场黑暗、浓烟环境中的搜寻温差分辨率不小于0.25℃,有效检测距离不小于40m2台漏电探测仪确定泄漏电源具体位置,可声光报警1个核放射探测仪快速寻找并确定α、β、γ射线污染源的位置可自动声光报警、显示所检测射线的强度,持续工作时间长选配电子酸碱测试仪测试液体的酸碱度l套测温仪测量事故现场温度可预设高、低温危险报警1套移动式生物快速侦检仪快速检测、识别常见的病毒和细菌,可在30mm之内提供较准确的生物检测结果选配警戒器材警戒标志杆灾害事故现场警戒,有反光功能10根10根锥形事故标志柱灾害事故现场道路警戒 10根10根隔离警示带灾害事故现场警戒。

双面反光,每盘长度约500m10盘5盘出入口标志牌灾害事故现场标示图案、文字、边框均为反光材料,与标志杆配套使用2组危险警示牌灾害事故现场警戒警示分为有毒、易燃、泄漏、爆炸、危险等五种标志,图案为反光材料与标志杆配套使用5块闪光警示灯灾害事故现场警戒警示频闪型,光线暗时自动闪亮5个手持扩音器灾害事故现场指挥功率大于10W,同时应具备警报功能2个 1个救生器材躯体固定气囊固定受伤人员负压,快速定型,牢固、轻便2套肢体固定气囊固定伤员肢体 2套婴儿呼吸袋救助婴儿脱离灾害事故现场为全密闭式,与全防型过滤罐配合使用,电驱动送风2个逃生面罩灾害事故现场被救人员呼吸防护100具50具含滤毒罐救生照明线黑暗、地下场所作业的导向、照明具备防水、质轻、抗折、耐拉、耐压、耐高温等性能每盘长度不小于50m2盘折叠式担架运送事故现场'受伤人员为金属框架,高分子材料表面质材,便于洗消,承重不小于100kg选配负压担架及固定装备用于伤员急救 2套伤员固定抬板灾害事故现场救援为木质, 表面经防污处理,避免伤员颈椎、胸椎及腰椎再次受到伤害3块救生气垫救助高处被困人员,安全高度一般为l0m以下1套缓降器高处救人和自救安全负荷不低于1300 N,绳索防火、耐磨2个灭火毯火场救生和重要物品保护。

耐燃氧化纤维材料,防火布夹层织制,在900℃火焰中不熔滴,不燃烧选配医药急救箱盛放常规外伤和化学伤害急救所需的敷料、药品和器械等1个医用简易呼吸器窒息人员的辅助呼吸选配气动起重气垫交通事故、房屋倒塌救援事故现场救援具备抗静电、抗裂、耐磨、抗油、抗老化等性能,共有12种规格,起重重量为:5-48t2套可根据需要选配不同规格每套不少于4种规格救援三角架高处、悬崖及井下等救援作业金属框架,配有手摇式绞盘,牵引滑轮最大承载2500N,绳索长度不小于30m1组救生抛投器远距离抛投救生绳或救生圈气动喷射,储气0.5L,投射距离60-90m1个 1个水面漂浮救生绳水面救援可漂浮于水面,标识明显,固定间隔处有绳节,不吸水选配机动橡皮舟水面救援双尾锥充气船体, 由防老化,防紫外线材料制成船底部有充气舷梁,铝合金拼装甲板,具有排水阀门,发动机功率18KW以上,最大承载能力不小于500kg选配敛尸袋对遇难人员尸体的包裹和搬运 20个救生软梯登高救生作业选配破拆器材电动剪切钳剪切作业自备电源,便携操作1具液压剪切钳剪切作业 1具液压万向剪切钳狭小空间的破拆作业具备体积小、易操作性能钳头可以旋转选配液压多功能钳灾害现场破拆作业。

具备切割、扩张功能1具双轮异向切割锯破拆作业,能快速切割硬度较高的金属薄片等1具机动链锯切割各类木质结构障碍物1具无齿锯切割金属和混凝土材料1具等离子切割器灾害现场破拆作业电源驱动,能够快速切割钢质板材选配气动切割刀切割薄壁、车辆金属和玻璃等,配有金属、非金属切割刀片1套液压扩张器灾害现场的扩张和牵引物体选配液压救援顶杆撑开、顶升障碍重物建筑倒塌现场的撑顶作业支撑套具分为液压式、气压式或机械手动式1组重型支撑套具具有支撑力强、行程高、撑顶面大、操作简便、安全可靠等性能选配液压机动泵用作液压破拆工具的动力源2台手动液压泵用作液压破拆工具的动力源选配开门器顶起卷帘门和其他物体最大升限不小于150mm,最大挺举力不小于10t2个冲击钻灾害现场破拆作业,冲击速率可调选配凿岩机混凝土结构的破拆选配玻璃破碎器门窗玻璃幕墙的手动破拆由组合工具组成,可对砖瓦、薄型金属进行破碎1台手持式钢筋速断器对钢筋护栏、护网的快速切断,最大切断直径20mm,配有蓄电池动力源,能够快速充电1台堵漏器材内封式堵漏袋(4种)圆形容器和管道的堵漏作业由防腐橡胶制成,工作压力0.15MPa,直径分别为:10/20、20/40、30/60、50/100mm1套外封式堵漏袋(2种)罐体外部堵漏作业。

由防腐橡胶制成,工作压力0.15MPa,尺寸可选1套捆绑式堵漏袋管道断裂堵漏作业由防腐橡胶制成,工作压力0.15MPa,尺寸为5/20、20/48mm1套下水道阻流袋阻止有害液体流入城市排水系统,材质具有防酸性2个金属墙漏套管各种金属管道裂缝的密封堵漏 1套每套不少于9种规格堵漏枪(4。

下载提示
相似文档
正为您匹配相似的精品文档