文档详情

ATV303设置说明

资****亨
实名认证
店铺
DOC
451KB
约5页
文档ID:254672381
ATV303设置说明_第1页
1/5

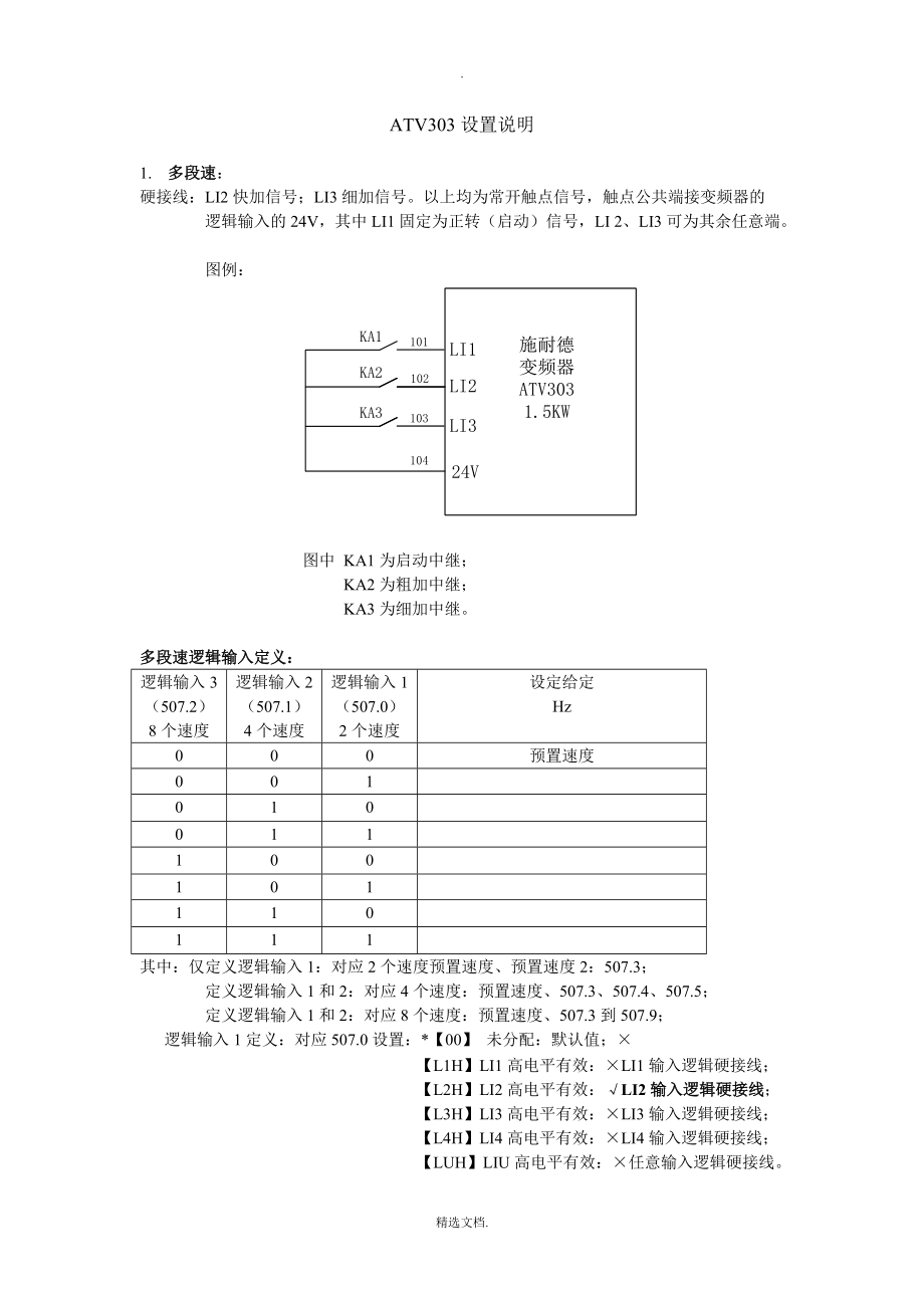
ATV303设置说明1. 多段速:硬接线:LI2快加信号;LI3细加信号以上均为常开触点信号,触点公共端接变频器的逻辑输入的24V,其中LI1固定为正转(启动)信号,LI 2、LI3可为其余任意端图例:图中 KA1为启动中继; KA2为粗加中继; KA3为细加中继多段速逻辑输入定义:逻辑输入3(507.2)8个速度逻辑输入2(507.1)4个速度逻辑输入1(507.0)2个速度设定给定Hz000预置速度001010011100101110111其中:仅定义逻辑输入1:对应2个速度预置速度、预置速度2:507.3; 定义逻辑输入1和2:对应4个速度:预置速度、507.3、507.4、507.5; 定义逻辑输入1和2:对应8个速度:预置速度、507.3到507.9; 逻辑输入1定义:对应507.0设置:*【00】 未分配:默认值;× 【L1H】LI1高电平有效:×LI1输入逻辑硬接线; 【L2H】LI2高电平有效:√LI2输入逻辑硬接线; 【L3H】LI3高电平有效:×LI3输入逻辑硬接线; 【L4H】LI4高电平有效:×LI4输入逻辑硬接线; 【LUH】LIU高电平有效:×任意输入逻辑硬接线。

图例输入的逻辑物理接点“LI2”分配给“逻辑输入1”逻辑输入2定义:对应507.1设置:*【00】 未分配:默认值;× 【L1H】LI1高电平有效:×LI1输入逻辑硬接线; 【L2H】LI2高电平有效:× LI2输入逻辑硬接线; 【L3H】LI3高电平有效:√LI3输入逻辑硬接线; 【L4H】LI4高电平有效:×LI4输入逻辑硬接线; 【LUH】LIU高电平有效:×任意输入逻辑硬接线 图例输入的逻辑物理接点“LI3”“逻辑输入2”多段速运行设定: 参数102:=64恢复出厂设置→ConF→FULL→(逻辑输入1):=LI2H(SP1)→(逻辑输入2):=LI3H(SP3)→(预置速度3):=慢加频率→507.5(预置速度4):=快加频率→→→2. 正反转: 参数102:=64恢复出厂设置→ConF→FULL→201(控制类型):=*【00】2线制×= 【01】3线制√→205(R1分配):=【02】变频器运行→302(电机功率)→305(电机电流→401(给定通道1):=*【01】模拟量端子×=【163】远程显示终端×=【164】Modbus通讯×=【183】3线制集成导航按钮√→404(反向禁止):=*【00】否√默认= 【02】是×→406(通道配置):=*【01】组合模式×=【02】分离模式√→407(命令通道1):=*【01】端子√默认=【02】本地×=【03】远程显示终端×=【10】Modbus通讯×→503(反转分配): =*【00】未分配×=【LIH】L1高电平有效×=【L2H】L2高电平有效×=【L3H】L3高电平有效√=【L4H】L4高电平有效×=【LUH】LIU高电平有效×→(低速):=*【0Hz】→512.2(高速):=*【60Hz】→导航键旋至“Ref”按下,再旋转设定频率。

802:频率输出指示也可以通过长按“MODE”键3秒钟,看显示屏左侧 “给定”、“监视”、“配置”3盏LED灯循环闪烁即可实现通过旋转导航键来设定电机运行频率2线制:LI1:正转LIX:反转 3线制:LI1 :停止 LI2 :正转LIX :反转 精选文档.。

下载提示
相似文档
正为您匹配相似的精品文档