文档详情

会 计 账 簿表格

s9****2
实名认证
店铺
DOCX
25.41KB
约3页
文档ID:412784667
会 计 账 簿表格_第1页
1/3

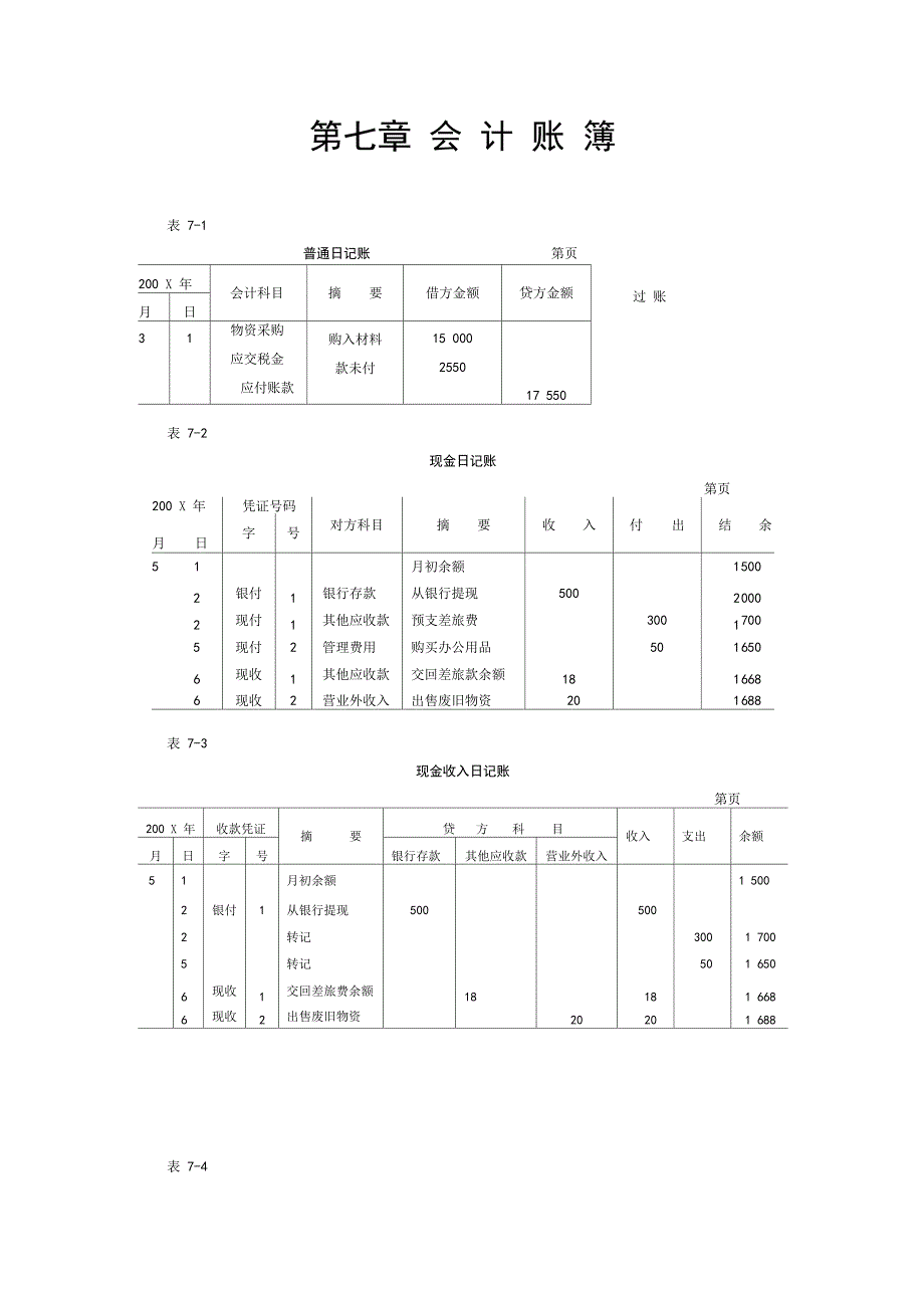
第七章 会 计 账 簿表 7-1200 X 年会计科目摘 要借方金额贷方金额月日31物资采购应交税金应付账款购入材料款未付15 000255017 550普通日记账第页过 账表 7-2现金日记账第页200 X 年月 日凭证号码对方科目摘 要收 入付 出结余字号5 1月初余额15002银付1银行存款从银行提现50020002现付1其他应收款预支差旅费30017005现付2管理费用购买办公用品5016506现收1其他应收款交回差旅款余额1816686现收2营业外收入出售废旧物资201688表 7-3现金收入日记账第页200 X 年收款凭证摘 要贷方 科目收入支出余额月日字号银行存款其他应收款营业外收入51月初余额1 5002银付1从银行提现5005002转记3001 7005转记501 6506现收1交回差旅费余额18181 6686现收2出售废旧物资20201 688表 7-4现金付出日记账200 X 年付款凭证摘 要月日字号52现付1预支旅差费5现付2购买办公用品结算凭证借 方 科 目种类号数其他应付款管理费用支出合计30050300350表 7-5总分类账会计科目: 原材料 第 页200 X 年月 日凭证号数摘要借方贷方借或贷余额7 1月初余额50 0002转1材料验收入库25 00075 0005转2领用材料30 00045 000表 7-6原材料明细分类账会计科目: 原材料 第 页类别:钢材 品名及规格:XXX 计量单位:千克 存放地点:XX200 X 年凭证摘要收入发出结 存月日号码数量单价金额数量单价金额数量单价金额81月初余额1 000100100 0002转1购入2 000100200 0003 000100300 0005转5生产领50010050 0002 500100250 000用表 7-7制造费用明细分类账明细科目:制造费用 (多栏式) 第 页200 X 年凭证 号码摘要借方贷方余额月日工资和 福利费折旧费修理费办公费水电费85810153031现付1 现付3 现付5转10转20转30支付工资 支修理费 支办公费 水电费 计提折旧 转入生产成本3 5002 0005003504006 7503 5004 0004 3504 7506 7500表 7-8物资采购明细分类账材料名称:钢材 XXX (平行式) 第 页200 X 年凭证 号码摘要借买价方金采购 费用额合计贷方金额结余金额月日月日凭证号码金额81月初余额03购入5 5003005 800855 8005(略)购入7 2004007 6007(略)7 6006购入2 8005003 30083 3008购入1 0002001 20010结余额1 200表 7-9账簿启用和经管人员一览表账簿名称 单位名称 账簿编号 账簿册数 账簿页数 启用日期 。

下载提示
相似文档
正为您匹配相似的精品文档