文档详情

环境风险评价技术导则评价工作等级判定全套表格

汽***
实名认证
店铺
DOCX
16.79KB
约4页
文档ID:419700802
环境风险评价技术导则评价工作等级判定全套表格_第1页
1/4

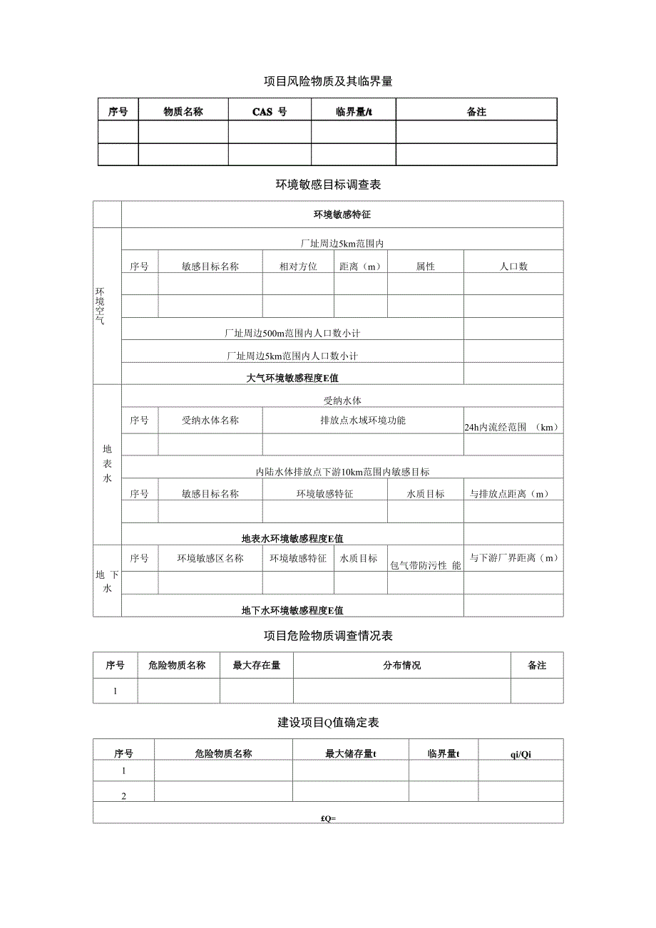
项目风险物质及其临界量环境敏感目标调查表环境敏感特征环境空气厂址周边5km范围内序号敏感目标名称相对方位距离(m)属性人口数厂址周边500m范围内人口数小计厂址周边5km范围内人口数小计大气环境敏感程度E值地表水受纳水体序号受纳水体名称排放点水域环境功能24h内流经范围 (km)内陆水体排放点下游10km范围内敏感目标序号敏感目标名称环境敏感特征水质目标与排放点距离(m)地表水环境敏感程度E值地 下 水序号环境敏感区名称环境敏感特征水质目标包气带防污性 能与下游厂界距离(m)地下水环境敏感程度E值项目危险物质调查情况表序号危险物质名称最大存在量分布情况备注1建设项目Q值确定表序号危险物质名称最大储存量t临界量tqi/Qi12£Q=危险物质及工艺系统危险性等级判断(p)危险物质数量与临界量 比值(Q)行业及生产工艺(M)M1M2M3M4Q>100P1P1P2P310WQV100P1P2P3P41WQV10P2P3P4P4大气环境敏感程度分级分级大气环境敏感性E1周边5km范围内居住区、医疗卫生、文化教育、科研、行政办公等机构人口总数大于5万人, 或其他需要特殊保护区域;或周边500m范围内人口总数大于1000人;油气、化学品输送管线 管段周边200m范围内,每千米管段人口数大于200人E2周边5km范围内居住区、医疗卫生、文化教育、科研、行政办公等机构人口总数大于1万人, 小于5万人;或周边500m范围内人口总数大于500人,小于1000人;油气、化学品输送管线 管段周边200 m范围内,每千米管段人口数大于100人,小于20人E3周边5km范围内居住区、医疗卫生、文化教育、科研、行政办公等机构人口总数小于1万人; 或周边500m范围内人口总数小于500人;油气、化学品输送管线管段周边200m范围内,每千 米管段人口数小于100人地表水功能敏感性分区敏感性地表水环境敏感特征敏感F1排放点进入地表水水域环境功能为II类及以上,或海水水质分类第一类;或以发生事故时, 危险物质泄漏到水体的排放点算起,排放进入受纳河流最大流速时,24 h流经范围内涉跨国 界的较敏感F2排放点进入地表水水域环境功能为III类,或海水水质分类第二类;或以发生事故时,危险物 质泄漏到水体的排放点算起,排放进入受纳河流最大流谏时,24 h流经范围内涉跨省界的低敏感F3上述地区之外的其他地区环境敏感目标分级分级环境敏感目标S1发生事故时,危险物质泄漏到内陆水体的排放点下游(顺水流向)10 km范围内、近岸海域一个潮 周期水质点可能达到的最大水平距离的两倍范围内,有如下一类或多类环境风险受体:集中式地 表水饮用水水源保护区(包括一级保护区、二级保护区及准保护区);农村及分散式饮用水水源保 护区;自然保护区;重要湿地;珍稀濒危野生动植物天然集中分布区;重要水生生物的自然产卵 场及索饵场、越冬场和洄游通道;世界文化和自然遗产地;红树林、珊瑚礁等滨海湿地生态系统; 珍稀、濒危海洋生物的天然集中分布区;海洋特别保护区;海上自然保护区;盐场保护区;海水 浴场;海洋自然历史遗迹;风景名胜区:或其他特殊重要保护区域S2发生事故时,危险物质泄漏到内陆水体的排放点下游(顺水流向)10 km范围内、近岸海域一个潮 周期水质点可能达到的最大水平距离的两倍范围内,有如下一类或多类环境风险受体的:水产养 殖区;天然渔场;森林公园;地质公园;海滨风景游览区;具有重要经济价值的海洋生物生存区 域S3排放点下游(顺水流向)10km范围、近岸海域一个潮周期水质点可能达到的最大水平距离的两倍 范围内无上述类型1和类型2包括的敏感保护目标地表水环境敏感程度分级环境敏感目标地表水功能敏感性F1F2F3S1E1E1E2S2E1E2E3S3E1E2E3地下水功能敏感性分区敏感性地下水环境敏感特征敏感G1集中式饮用水水源(包括巳建成的在用、备用、应急水源,在建和规划的饮用水水源)准保 护区;除集中式饮用水水源以外的国家或地方政府设定的与地下水环境相关的其他保护区, 如热水、矿泉水、温泉等特殊地下水资源保护区较敏感G2集中式饮用水水源(包括巳建成的在用、备用、应急水源,在建和规划的饮用水水源)准保 护区以外的补给径流区;未划定准保护区的集中式饮用水水源,其保护区以外的补给径流区; 分散式饮用水水源地;特殊地下水资源(如热水、矿泉水、温泉等)保护区以外的分布区等 其他未列入上述敏感分级的环境敏感区a不敏感G3上述地区之外的其他地区包气带防污性能分级分级包气带岩土的渗透性能D3MbN 1.0m,KW1.0X10-6cm/s,且分布连续、稳定D20.5mWMb<1.0m,KW1.0X 10-6cm/s,且分布连续、稳定MbN 1.0m,1.0X10-6cm/s〈KW1.0X10-4cm/s,且分布连续、稳定D1岩(土)层不满足上述“D2”和“D3”条件Mb:岩土层单层厚度。

K:渗透系数地下水环境敏感程度分级包气带防污性能地下水功能敏感性G1G2G3D1E1E1E2D2E1E2E3D3E2E3E3建设项目环境风险潜势划分环境敏感程度(E)危险物质及工艺系统危险性(P)极高危害(》1)高度危害(P2)中度危害(P3)轻度危害(P4)环境高度敏感区(E1)IV+IVIIIIII环境中度敏感区 (E2)IVIIIIIIII环境低度敏感区(E3)IIIIIIIII注:IV+为极高环境风险评价工作等级划分环境风险潜势IV+、IVIIIIII评价工作等级一二三简单分析。

下载提示
相似文档
正为您匹配相似的精品文档