文档详情

折弯系数表[表类文书]

桔****
实名认证
店铺
DOC
57.50KB
约9页
文档ID:446206892
折弯系数表[表类文书]_第1页
1/9

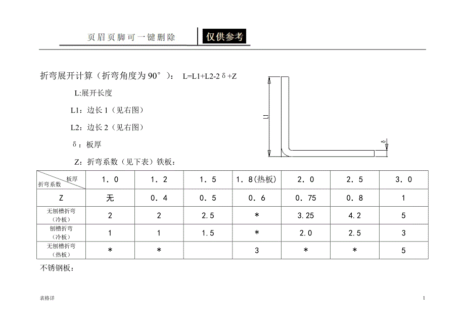
折弯展开计算(折弯角度为90°): L=L1+L2-2δ+Z L:展开长度 L1:边长1(见右图) L2:边长2(见右图) δ:板厚 Z:折弯系数(见下表)铁板:折弯系数板厚1.01.21.51.8(热板)2.02.53.0Z无0.40.50.60.750.81无刨槽折弯(冷板)222.5*3.254.25刨槽折弯(冷板)111.5*2.02.53无刨槽折弯(热板)**3**5不锈钢板: 折弯系数板厚1.01.21.51.82.02.53.0Z无0.40.50.60.750.81 全国注册建筑师、建造师考试 备考资料 历年真题 考试心得 模拟试题 Q/ZB J65—2010 1 钣金展开计算方法 1 范围 公司折弯次数小于8次的常规钣金件适用本方法,精密钣金件、折弯次数较多或折弯内圆弧半径R有特殊要求的钣金件需进行试折弯 2 展开计算原理: 2.1 板料在弯曲过程中外层受到拉应力,內层受到压应力,从拉到压之间有一既不受拉力又不受压力的过度层为中性层;中性层在弯曲过程中的长度和弯曲前一样,保持不变,所以中性层是计算弯曲件展开长度的基准。

  2.2 中性层的位置与变形程度有关,当弯曲半径较大,折弯角度较小时,变形程度较小,中性层位置 靠近板料厚度的中心处;当弯曲半径较小,折弯角度增大时,变形程度随之增大,中性层位置逐渐向弯曲中心的內侧移动中性层到板料內侧的距离用λ表示(见图一)  3 折弯模具: 我们使用的小松数控折弯机所配套的普通折弯模具V型槽宽度通常为适用该折弯模的板厚的5-6倍板厚与适用V型槽宽(见表1) 表1 板厚与适用V型槽宽参数 板厚(t) 1.0, 1.2,1.5 1.5,2.0 2.5,3.0 3.0,4.0,5.0 适用V槽宽度 8 12 16 25 4 展开计算方法: 4.1 90°折弯(一般折弯)   Q/ZB J65—2010 2 4.1.1 (如图二),由于我们常用的折弯上模的尖角通常小于0.5,所以折弯内圆弧R可以视为定值,因此折弯拉伸系数的影响因素主要取决于折弯下模槽宽V和材料厚度t展开长度的计算公式为(1): L=L1 + L2- 2t + 系数a ;……………………………………………………… (1) 4.1.2 折弯系数a的计算公式为(2): a = -0.075V+ 0.72t - 0.01 ……………………………………………………………(2) 其中:V—下模槽宽;t—材料厚度 4.1.3 为方便计算将展开长度的计算公式简化为(3):  L=L1+L2-系数C  ……………………………………………………………………(3) 注:简化系数C = (2t - 系数a)见表2。

  4.1.4 多次折弯展开长度的计算公式为(4): L=L1+L2+Ln-(n-1)C ………………………………………………………………(4) 其中:n—折弯次数 表2   90O折弯系数C 90O折弯系数C 材料厚度t 1.0 1.2 1.5 2.0 2.5 3.0 4.0 5.0 下 模 槽 宽 V 8 1.89 2.15 2.53 —— —— —— —— —— 12 —— —— 2.83 3.47 —— —— —— —— 16 —— —— —— —— 4.41 5.05 —— —— 25 —— —— —— —— —— 5.73 7.01 8.29 5 反折压平(双折边)  5.1 如图三,双折边是两层钢板重叠在一起的折弯形状,通常用来起加强作用,因此2.0mm以上的板很少见压死边它需要用特殊折弯模具成形,而且要分为两道以上的工序才能成形 5.2 双折边的展开长度计算公式为(5): L=L1 + L2- 系数C ………………………………………………………………(5) 5.3 系数C的经验值见表3 表3 系数C经验值(一) 材料厚度t 1.0 1.2 1.5 2.0 折弯系数C 0.4 0.5 0.8 1.0  Q/ZB J65—2010 3 6 钝角折弯  6.1 (如图四)我们常用的钝角折边通常为135o、150o,展开长度计算公式为(6): L=L1 + L2- 系数C ………………………………………………………………(6)  6.2 系数C的经验值(二)见表4。

 表4  系数C经验值(二) 材料厚度t 1.0 1.2 1.5 2.0 2.5 3.0 4.0 5.0 135o系数C 0.49 0.59 0.74 1.0 1.24 1.5 1.98 2.47 150o系数C 0.35 0.36 0.45 0.59 0.74 0.89 1.19 1.48 7 折边工艺 7.1 最小折边尺寸  7.1.1 (如图五)最小折边尺寸为公式(7):   Lmin =(V/2)+ 2 + t ………………………………………………………………(7) 7.1.2 不同材料厚度的最小折边尺寸Lmin(见表5) 表5 最小折边尺寸Lmin Lmin 材料厚度t 1.0 1.2 1.5 2.0 2.5 3.0 4.0 5.0 下 模 槽 宽 V 8 7 7.2 7.5 —— —— —— —— —— 12 —— —— 9.5 10 —— —— —— —— 16 —— —— —— —— 12.5 13 —— —— 25 —— —— —— —— —— 17.5 18.5 19.5 7.1.3 最小Z型折边中间高度(如图六),Z型折边中间高度受V型槽中心到下模边距离影响,最小折边高度为公式(8): Hmin =(V/2)+ 2.5+ 2t  …………………………………………………………(8)  Q/ZB J65—2010 4  7.1.4 不同材料厚度的最小Z型折边中间高度Hmin见表6。

 表6 最小Z型折边中间高度Hmin Hmin 材料厚度t 1.0 1.2 1.5 2.0 2.5 3.0 4.0 5.0 下 模 槽 宽 V 8 8.5 8.9 9.5 —— —— —— —— —— 12 —— —— 11.5 12.5 —— —— —— —— 16 —— —— —— —— 15.5 16.5 —— —— 25 —— —— —— —— —— 21 23 25 7.2 最大Z型折边反边尺寸 7.2.1 最大Z型折边反边尺寸(如图六),通常的开关柜左门为Z型折边,其反边尺寸受下模及模座高度影响,最大反边高度为公式(9):    Lmax = 59 + t ………………………………………………………(9) 7.2.2 当Z型折边中间高度小于30时,不同材料厚度的Z型折边最大反边尺寸见表7,当Z型折边中间高度较大时,受折弯机下模座不同部位影响,其反边最大尺寸应现场确定 表7  Z型折边最大反边尺寸 材料厚度t 1.0 1.2 1.5 2.0 2.5 3.0 4.0 5.0 Lmax 60 60.2 60.5 61 61.5 62 63 64 8 U型折边 8.1 (如图七)受机床及模具影响,U型折边宽度H1不能太小,高度H2不能太大;当H2满足表5的最小折边尺寸时,H1最小值公式为(10): H1 = 12 + 2t ………………………………………………………………………(10)  8.1.1 H1的数值见表8  Q/ZB J65—2010 51表格详。

下载提示
相似文档
正为您匹配相似的精品文档