文档详情

南昌市某高层住宅楼建筑工程造价分析表

ji****n
实名认证
店铺
DOC
68KB
约2页
文档ID:48136107
南昌市某高层住宅楼建筑工程造价分析表_第1页
1/2

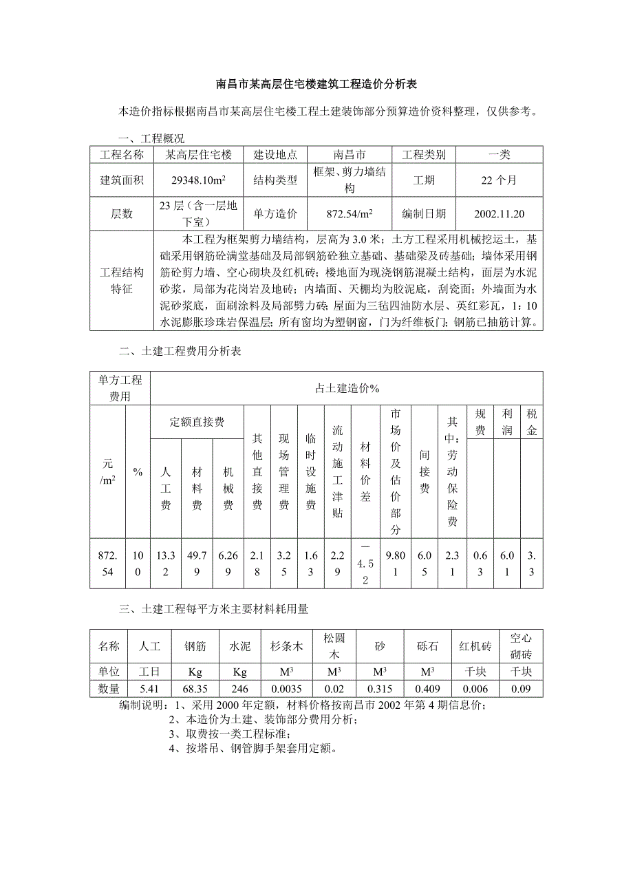
南昌市某高层住宅楼建筑工程造价分析表南昌市某高层住宅楼建筑工程造价分析表本造价指标根据南昌市某高层住宅楼工程土建装饰部分预算造价资料整理,仅供参考一、工程概况 工程名称某高层住宅楼建设地点南昌市工程类别一类建筑面积29348.10m2结构类型框架、剪力墙 结构工期22 个月层数23 层(含一层 地下室)单方造价872.54/m2编制日期2002.11.20工程结构 特征本工程为框架剪力墙结构,层高为 3.0 米;土方工程采用机械挖运土,基 础采用钢筋砼满堂基础及局部钢筋砼独立基础、基础梁及砖基础;墙体采用 钢筋砼剪力墙、空心砌块及红机砖;楼地面为现浇钢筋混凝土结构,面层为 水泥砂浆,局部为花岗岩及地砖;内墙面、天棚均为胶泥底,刮瓷面;外墙 面为水泥砂浆底,面刷涂料及局部劈力砖;屋面为三毡四油防水层、英红彩 瓦,1:10 水泥膨胀珍珠岩保温层;所有窗均为塑钢窗,门为纤维板门;钢筋 已抽筋计算二、土建工程费用分析表单方工程 费用占土建造价%定额直接费规 费利 润税 金元 /m2%人工 费材 料 费机 械 费其 他 直 接 费现 场 管 理 费临 时 设 施 费流 动 施 工 津 贴材 料 价 差市 场 价 及 估 价 部 分间 接 费其 中: 劳 动 保 险 费872. 5410 013.3 249.7 96.26 92.1 83.2 51.6 32.2 9-4.529.80 16.0 52.3 10.6 36.0 13. 3三、土建工程每平方米主要材料耗用量名称人工钢筋水泥杉条木松圆 木砂砾石红机砖空心 砌砖单位工日KgKgM3M3M3M3千块千块数量5.4168.352460.00350.020.3150.4090.0060.09 编制说明:1、采用 2000 年定额,材料价格按南昌市 2002 年第 4 期信息价;2、本造价为土建、装饰部分费用分析;3、取费按一类工程标准;4、按塔吊、钢管脚手架套用定额。

南昌市某毛胚商品宿舍楼工程造价分析南昌市某毛胚商品宿舍楼工程造价分析 本造价指标根据南昌市某毛坯商品宿舍楼工程土建部分造价资料整理,供参考 一、工程概况 工程名称 某商品宿舍楼 建设地点 南昌市 工程类别 一类 建筑面积 10784.05㎡ 结构类型 异型柱框架结构 工期 十六个月 层数 19 层 单方造价 882.62 元/㎡ 编制日期 2002.01.19 工程结构特征 本工程为异型柱框架结构:基础采用人工挖孔桩、钢筋砼承台、基础梁;楼地面均为现浇砼,面层为水泥砂浆;墙为加气混凝土砌块墙、电梯井为钢筋混凝土剪力强,内墙为胶泥灰底,外墙面为水泥砂浆粉底,外贴面砖;屋面为高分子防水卷材层,水泥炉渣找坡保温层;所有窗均为朔钢窗,门为木夹板门;钢筋已抽筋计算二、土建工程费用分析表 单方工程费用 占造价(占土建部分)% 直接费 间接费 定额直接费 元/m2 % 人工费 材料费 机械费 其他直接费 现场管理费 临时设施费 流动施工津贴 材料价差 市场价及议价部分 施工管理费 其中:劳动保险费 规费 计划利润 税金 869.14 100 13.61 53.51 6.42 2.32 3.92 1.74 2.49 -2.09 1.97 6.39 1.43 0.65 5.77 3.30 三、土建主要材料耗用量 名称 人工 钢筋 水泥 杉条木 松圆木 加气混凝土砌块 红机砖 单位 工日 kg kg M3 M3 M3 千块 数量 6.17 61.5 223.35 0.0043 0.0226 0.158 0.0004 编制说明:1.采用 2000 年定额和费用定额,材料单价按南昌地区 2001 年第 5 期信息价;2.本造价为土建 部分分析,取费按一类工程标准;3.按塔呆、木模、钢管脚手架套用定额。

下载提示
相似文档
正为您匹配相似的精品文档
相关文档