文档详情

实验七 移位寄存器及其应用

mg****85
实名认证
店铺
DOC
846KB
约7页
文档ID:35892339
实验七 移位寄存器及其应用_第1页
1/7

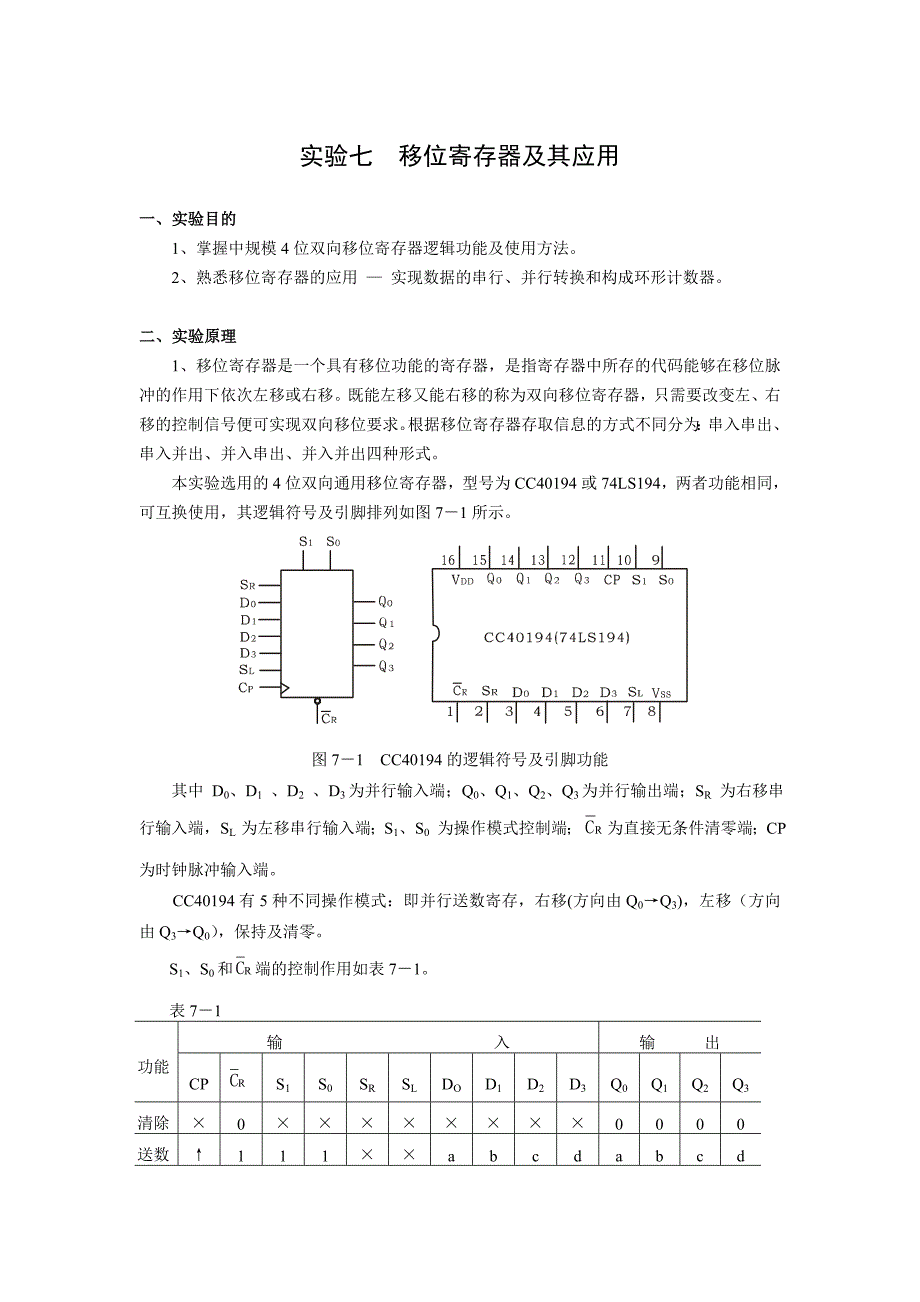
实验七 移位寄存器及其应用一、实验目的一、实验目的1、掌握中规模 4 位双向移位寄存器逻辑功能及使用方法2、熟悉移位寄存器的应用 — 实现数据的串行、并行转换和构成环形计数器二、实验原理二、实验原理1、移位寄存器是一个具有移位功能的寄存器,是指寄存器中所存的代码能够在移位脉冲的作用下依次左移或右移既能左移又能右移的称为双向移位寄存器,只需要改变左、右移的控制信号便可实现双向移位要求根据移位寄存器存取信息的方式不同分为:串入串出、串入并出、并入串出、并入并出四种形式本实验选用的 4 位双向通用移位寄存器,型号为 CC40194 或 74LS194,两者功能相同,可互换使用,其逻辑符号及引脚排列如图 7-1 所示图 7-1 CC40194 的逻辑符号及引脚功能其中 D0、D1 、D2 、D3为并行输入端;Q0、Q1、Q2、Q3为并行输出端;SR 为右移串行输入端,SL 为左移串行输入端;S1、S0 为操作模式控制端;为直接无条件清零端;RCCP 为时钟脉冲输入端CC40194 有 5 种不同操作模式:即并行送数寄存,右移(方向由 Q0→Q3),左移(方向由 Q3→Q0) ,保持及清零S1、S0和端的控制作用如表 7-1。

RC表 7-1输 入输 出功能 CPRCS1S0SRSLDOD1D2D3Q0Q1Q2Q3清除×0××××××××0000送数↑111××abcdabcd右移↑101DSR×××××DSRQ0Q1Q2左移↑110×DSL××××Q1Q2Q3DSL保持↑100××××××n 0Qn 1Qn 2Qn 3Q保持↓1××××××××n 0Qn 1Qn 2Qn 3Q2、移位寄存器应用很广,可构成移位寄存器型计数器;顺序脉冲发生器;串行累加器;可用作数据转换,即把串行数据转换为并行数据,或把并行数据转换为串行数据等本实验研究移位寄存器用作环形计数器和数据的串、并行转换1) 环形计数器把移位寄存器的输出反馈到它的串行输入端,就可以进行循环移位,如图 7-2 所示,把输出端 Q3 和右移串行输入端 SR 相连接,设初始状态Q0Q1Q2Q3=1000,则在时钟脉冲作用下 Q0Q1Q2Q3将依次变为0100→0010→0001→1000→… …,如表 7-2 所示,可见它是一个具有四个有效状态的计数器,这种类型的计数器通常称为环形计数器图 7-2 电路可以由各个输出端输出在时间上有先后顺序的脉冲,因此也可作为顺序脉冲发生器。

表 8-2CPQ0Q1Q2Q301000101002001030001图 7-2 环形计数器 如果将输出 QO与左移串行输入端 SL相连接,即可达左移循环移位2)实现数据串、并行转换① 串行/并行转换器串行/并行转换是指串行输入的数码,经转换电路之后变换成并行输出图 7-3 是用二片 CC40194(74LS194)四位双向移位寄存器组成的七位串/并行数据转换电路图 7-3 七位串行 / 并行转换器电路中 S0端接高电平 1,S1受 Q7控制,二片寄存器连接成串行输入右移工作模式Q7是转换结束标志当 Q7=1 时,S1为 0,使之成为 S1S0=01 的串入右移工作方式,当Q7=0 时,S1=1,有 S1S0=10,则串行送数结束,标志着串行输入的数据已转换成并行输出了串行/并行转换的具体过程如下:转换前,端加低电平,使 1、2 两片寄存器的内容清 0,此时 S1S0=11,寄存器执RC行并行输入工作方式当第一个 CP 脉冲到来后,寄存器的输出状态 Q0~Q7为 01111111,与此同时 S1S0变为 01,转换电路变为执行串入右移工作方式,串行输入数据由 1 片的 SR端加入随着 CP 脉冲的依次加入,输出状态的变化可列成表 7-3 所示。

表 7-3 由表 7-3 可见,右移操作七次之后,Q7变为 0,S1S0又变为 11,说明串行输入结束这时,串行输入的数码已经转换成了并行输出了当再来一个 CP 脉冲时,电路又重新执行一次并行输入,为第二组串行数码转换作好了准备② 并行/串行转换器并行/串行转换器是指并行输入的数码经转换电路之后,换成串行输出图 7-4 是用两片 CC40194(74LS194)组成的七位并行/串行转换电路,它比图 7-3多了两只与非门 G1和 G2,电路工作方式同样为右移CPQ0Q1Q2Q3Q4Q5Q6Q7说明000000000清零101111111送数2dO01111113d1d00111114d2d1d0011115d3d2d1d001116d4d3d2d1d00117d5d4d3d2d1d0018d6d5d4d3d2d1d00右移操作七次901111111送数图 7-4 七位并行 / 串行转换器寄存器清“0”后,加一个转换起动信号(负脉冲或低电平) 此时,由于方式控制S1S0为 11,转换电路执行并行输入操作当第一个 CP 脉冲到来后,Q0Q1Q2Q3Q4Q5Q6Q7的状态为 0D1D2D3D4D5D6D7,并行输入数码存入寄存器。

从而使得 G1输出为 1,G2输出为0,结果,S1S2变为 01,转换电路随着 CP 脉冲的加入,开始执行右移串行输出,随着 CP脉冲的依次加入,输出状态依次右移,待右移操作七次后,Q0~Q6的状态都为高电平 1,与非门 G1输出为低电平,G2门输出为高电平,S1S2又变为 11,表示并/串行转换结束,且为第二次并行输入创造了条件转换过程如表 7-4 所示表 7-4 CPQ0Q1Q2Q3Q4Q5Q6Q7串 行 输 出00000000010D1D2D3D4D5D6D7210D1D2D3D4D5D6D73110D1D2D3D4D5D6D741110D1D2D3D4D5D6D7511110D1D2D3D4D5D6D76111110D1D2D3D4D5D6D771111110D1D2D3D4D5D6D7811111110D1D2D3D4D5D6D790D1D2D3D4D5D6D7中规模集成移位寄存器,其位数往往以 4 位居多,当需要的位数多于 4 位时,可把几片移位寄存器用级连的方法来扩展位数 三、实验设备及器件三、实验设备及器件1、 +5V 直流电源 2、 单次脉冲源3、 逻辑电平开关 4、 逻辑电平显示器5、 CC40194×2(74LS194) CC4011(74LS00) CC4068(74LS30)四、实验内容四、实验内容1 、测试 CC40194(或 74LS194)的逻辑功能按图 7-5 接线,、S1、S0、SL、RCSR、D0、D1、D2、D3分别接至逻辑开关的输出插口;Q0、Q1、Q2、Q3接至逻辑电平显示输入插口。

CP 端接单次脉冲源按表 7-5 所规定的输入状态,逐项进行测试图 7-5 CC40194 逻辑功能测试(1) 清除:令=0,其它输入均为任意态,这时寄存器输出Q0、Q1、Q2、RCQ3应均为 0清除后,置=1 RC(2)送数:令=S1=S0=1 ,送入任意 4 位二进制数,如 D0D1D2D3=abcd,加 CP 脉RC冲,观察 CP=0 、CP 由 0→1、CP 由 1→0 三种情况下寄存器输出状态的变化,观察寄存器输出状态变化是否发生在 CP 脉冲的上升沿2) 右移:清零后,令=1,S1=0,S0=1,由右移输入端 SR 送入二进制数码如RC0100,由 CP 端连续加 4 个脉冲,观察输出情况,记录之4) 左移:先清零或予置,再令=1,S1=1,S0=0,由左移输入端 SL 送入二进制RC数码如 1111,连续加四个 CP 脉冲,观察输出端情况,记录之5) 保持:寄存器予置任意 4 位二进制数码 abcd,令=1,S1=S0=0,加 CP 脉冲,RC观察寄存器输出状态,记录之2、环形计数器自拟实验线路用并行送数法予置寄存器为某二进制数码(如 0100) ,然后进行右移循环,观察寄存器输出端状态的变化,记入表 7-6 中。

3、实现数据的串、并行转换(1)串行输入、并行输出按图 7-3 接线,进行右移串入、并出实验,串入数码自定;改接线路用左移方式实现并行输出自拟表格,记录之2)并行输入、串行输出按图 7-4 接线,进行右移并入、串出实验,并入数码自定再改接线路用左移方式实现串行输出自拟表格,记录之表 7-5清除模 式时钟串 行输 入输 出RCS1S0CPSLSRD0 D1 D2 D3Q0 Q1 Q2 Q3功能总结0×××××××××0 0 0 0清零111↑××a b c da b c d送数101↑×0××××0 0 0 0右移101↑×1××××1 0 0 0右移101↑×0××××1 1 0 0右移101↑×0××××1 1 1 0右移110↑1×××××1 1 1 1左移110↑1×××××1 1 10左移110↑1××××× 1 1 0 0 左移110↑1×××××1 0 0 0左移100↑××××××××××保持表 7-6CPQ0Q1Q2Q300100100102000131 00040100五、实验总结五、实验总结1. 该实验存在一定测量误差,误差来源于电路箱中得误差,但是误差实验允许范围内,故该实验有效。

2.该实验应该注意电路的联线,同时要求熟练掌握各个芯片的使用方法3.移位寄存器有更深一步了解,加深了同学们对移位寄存器工作原理的理解,同时对书本的知识加深了理解4.对 74LS194 有了更近一步的加深认识和了解。

下载提示
相似文档
正为您匹配相似的精品文档