文档详情

二级展开式减速器课程设计计算说明书

夏**
实名认证
店铺
DOCX
819.02KB
约32页
文档ID:467376825
二级展开式减速器课程设计计算说明书_第1页
1/32

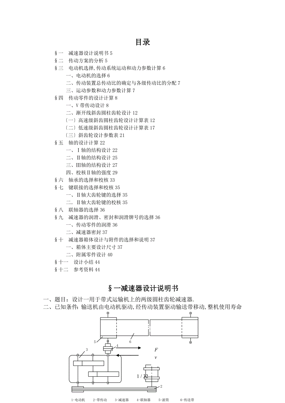
目录§一 减速器设计说明书5§二 传动方案的分析5§三 电动机选择,传动系统运动和动力参数计算6一、电动机的选择6二、传动装置总传动比的确定与各级传动比的分配7三、运动参数和动力参数计算7§四 传动零件的设计计算8一、V带传动设计8二、渐开线斜齿圆柱齿轮设计12〔一〕高速级斜齿圆柱齿轮设计计算表12〔二〕低速级斜齿圆柱齿轮设计计算表17〔三〕斜齿轮设计参数表21§五 轴的设计计算22一、Ⅰ轴的结构设计22二、Ⅱ轴的结构设计25三、Ⅲ轴的结构设计27四、校核Ⅱ轴的强度29§六 轴承的选择和校核33§七 键联接的选择和校核35一、Ⅱ轴大齿轮键的选择35二.Ⅱ轴大齿轮键的校核35§八 联轴器的选择36§九 减速器的润滑、密封和润滑牌号的选择36一、传动零件的润滑36二、减速器密封37§十 减速器箱体设计与附件的选择和说明37一、箱体主要设计尺寸37二、附属零件设计40§十一 设计小结44§十二 参考资料44§一减速器设计说明书vF一、题目:设计一用于带式运输机上的两级圆柱齿轮减速器.二、已知条件:输送机由电动机驱动,经传动装置驱动输送带移动,整机使用寿命为6年,每天两班制工作,每年工作300天,工作时不逆转,载荷平稳,允许输送带速度偏差为5%.工作机效率为0.96,要求有过载保护,按单位生产设计.三、设计内容:设计传动方案;a) 减速器部件装配图一张<0号图幅>;b) 绘制轴和齿轮零件图各一张;c) 编写设计计算说明书一份.§二传动方案的分析§三电动机选择,传动系统运动和动力参数计算一、电动机的选择1.确定电动机类型 按工作要求和条件,选用y系列三相交流异步电动机.2.确定电动机的容量〔1〕工作机卷筒上所需功率PwPw = Fv/1000 =4200*1.2/1000=5.04kw<2>电动机所需的输出功率为了计算电动机的所需的输出功率Pd,先要确定从电动机到工作机之间的总功率η总.设η1、η2、η3、η4、η5分别为弹性联轴器、闭式齿轮传动〔设齿轮精度为7级〕、滚动轴承、V形带传动、工作机的效率,由[2]表1-7查得η1= 0.99,η2 = 0.98,η3 = 0.99,η4= 0.95,η5 = 0.96,则传动装置的总效率为== 0.99 x 0.982x 0.993x 0.95 x 0.96=0.84143.选择电动机转速由[2]表13-2推荐的传动副传动比合理范围 普通V带传动 i带=2~4 圆柱齿轮传动 i齿=3~5则传动装置总传动比的合理范围为 i总=i带×i齿1×i齿2 i‘总=〔2~4〕×〔3~5〕×〔3~5〕=〔18~100〕电动机转速的可选范围为nd=i‘总×=〔18~100〕=〔18~100〕r/min=1006.68~5592.67r/min根据电动机所需功率和同步转速,查[2]表12-1,符合这一范围的常用同步加速有1500、1000.选用同步转速为:1500 r/min选定电动机型号为:Y112M-4二、传动装置总传动比的确定与各级传动比的分配1.传动装置总传动比==式中nm----电动机满载转速: 1440 r/min; nw----工作机的转速:55.93 r/min.2.分配传动装置各级传动比i总=i带×i齿1×i齿2 分配原则: 〔1〕i带<i齿 〔2〕i带=2~4 i齿=3~5 i齿1=〔1.3~1.5〕i齿2根据[2]表2-3,V形带的传动比取i带 =2.6 ,则减速器的总传动比为 i =9.90双级圆柱齿轮减速器高速级的传动比为 i齿1 = 3.59低速级的传动比i齿2 = i/i齿1=2.76三、运动参数和动力参数计算1.各轴转速计算1440 r/minnⅠ= nm / i带=1440/2.6r/min =553.85r/minnⅡ= nⅠ/i齿1=553.85/3.59r/min =154.28r/minnⅢ= nⅡ/i齿2=154.28/2.76r/min=55.90r/min2.各轴输入功率P0= Pd=5.99 KWPⅠ= Pdη4 = 5.990.95 KW=5.69KW PⅡ= PⅠη2η3 =5.690.980.99 KW=5.52 KWPⅢ= PⅡη2η3 =5.520.980.99KW=5.36KW3.各轴输入转矩T0 = 9550Pd/n0 =39.73TⅠ = 9550PⅠ/nⅠ =98.11TⅡ = 9550PⅡ/nⅡ =341.69TⅢ = 9550PⅢ/nⅢ = 915.71表1 传动装置各轴运动参数和动力参数表  项目轴号功率转速转矩传动比0轴5.99144039.732.6Ⅰ轴5.69553.8598.113.59Ⅱ轴5.52154.28341.692.76Ⅲ轴5.3655.90915.71§四 传动零件的设计计算一、V带传动设计1.设计计算表项目计算〔或选择〕依据计算过程单位计算〔或确定〕结果<1>确定计算功率PcaPca=d查[1]表8-7取<2>选择带的型号查[1]图8-11选用A型带<3>选择小带轮直径查[1]表8-6与8-890<4>确定大带轮直径=查[1]表8-8 =236=236<5>验算传动比误差=0.85%<6>验算带速=6.78<7>初定中心距=<0.7~2><90+236>=228.2~652=360<8>初算带长=2360+3.14/2<90+236>+<236-90>/<4360>=1246.3=1246<9>确定带的基准长度查[1]表8-2因为=1246,选用A型带取=1250=1250<10>计算实际中心距离〔取整〕详细DWG图纸请加:三二③1爸爸五四0六=362mm<11>安装时所需最小中心距〔取整〕=362+0.015=343<12>张紧或补偿伸长量所需最大中心距=400mm<13>验算小带轮包角=<14>单根V带的基本额定功率查[1]表8-4a插值法=1.06kw详细DWG图纸请加:三二③1爸爸五四0六=1.06<15>单根V带额定功率的增量查[1]表8-5b插值法=0.17kw=0.17<16>长度系数查[1]表8-2由 得<17>包角系数查[1]表8-5插值法=0.94<18>单位带长质量查[1]表8-3=0.10=0.10<19>确定V带根数根7<20>计算初拉力=130.31<21>计算带对轴的压力1787.372.带型选用参数表带型A902366.78362159.8971787.37B=<7-1>15+210=1103.带轮结构相关尺寸项目计算〔或选择〕依据计算过程单位计算〔或确定〕结果<1>带轮基准宽bd查[1]表8-10因选用A型,故取<2>带轮槽宽b=12.93<3>基准宽处至齿顶距离ha查[1]表8-10<4>基准宽处至槽底距离hf查[1]表8-10<5>两V槽间距e查[1]表8-10.0<6>槽中至轮端距离查[1]表8-10=10<7>轮槽楔角查[1]表8-10因为>118,所以=38度38<8>轮缘顶径241.6<9>槽底直径=236-29.0=218218<10>轮缘底径D1查[1]表8-10,得200<11>板孔中心直径D0=0.5<200+60>=130130<12>板孔直径d040<13>大带轮孔径d查[3]表12-1-12根据=236,Z=7,所以取d=30d=30<14>轮毂外径d160<15>轮毂长LL=60<16>辐板厚S查[3]表12-1-12S=<0.5~0.25>B=15.71~27.5S=25<17>孔板孔数查[3]表12-1-12个二、渐开线斜齿圆柱齿轮设计〔一〕高速级斜齿圆柱齿轮设计计算表项目计算〔或选择〕依据计算过程单位计算〔或确定〕结果1.选齿轮精度等级查[1]表10-8选用7级精度级72.材料选择查[1]表10-1小齿轮选用45号钢〔调质处理〕硬度为250HBS大齿轮选用45号钢〔调质处理〕硬度为220HBS小齿轮250HBS大齿轮220HBS3.选择齿数Z个913.4584.选取螺旋角β取14度145.按齿面接触强度设计〔1〕试选Kt取1.61.6<2>区域系数ZH由[1]图10-30〔3〕εa由[1]图10-26查得εa1=0.77εa2=0.871.641.64<4>计算小齿轮传递的转矩T1查表1Nmm<5>齿宽系数Фd由[1]表10-71.0<6>材料的弹性影响系数ZE由[1]表10-6<7> 齿轮接触疲劳强度极限由[1]图10-21c由[1]图10-21d550540550540〔8〕应力循环次数N由[1]式10-13〔9〕接触疲劳强度寿命系数KHN由[1]图10-19KHN1 =1.05KHN2 =1.12KHN1 =1.05KHN2 =1.12〔10〕计算接触疲劳强度许用应力[σH]取失效概率为1%,安全系数为S=1,由[1]式10-12得=<577.5+604.8>=591.15〔11〕试算小齿轮分度圆直径按[1]式〔10-21〕试算mm=53.03〔12〕计算圆周速度vm/s1.54〔13〕计算齿宽BB1=60B2=55mmB1=60B2=55〔14〕模数h = 2.25mnt =2.25×2.14=4.815b/h =53.03/4.815=11.01度mnt =2.14h = 4.815b/h =11.01〔15〕计算纵向重合度εβ= 0.318φdz1tanβ1.903〔16〕计算载荷系数K由[1]表10-2查得使用系数根据v=1.54m/s,7级精度,由[1]图10-8查得动载荷系数1.08由[1]表。

下载提示
相似文档
正为您匹配相似的精品文档