文档详情

国家学生体质健康实用标准化测试成绩实用标准化详

pu****.1
实名认证
店铺
DOC
347.50KB
约20页
文档ID:495825690
国家学生体质健康实用标准化测试成绩实用标准化详_第1页
1/20

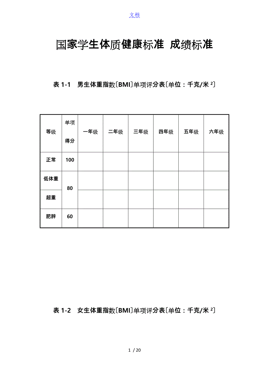
文档国家学生体质健康标准 成绩标准表1-1 男生体重指数〔BMI〕单项评分表〔单位:千克/米2〕等级单项得分一年级二年级三年级四年级五年级六年级正常100低体重80超重肥胖60表1-2 女生体重指数〔BMI〕单项评分表〔单位:千克/米2〕等级单项得分一年级二年级三年级四年级五年级六年级正常100低体重80超重肥胖60表1-3 男生肺活量单项评分表〔单位:毫升〕等级单项得分一年级二年级三年级四年级五年级六年级优秀1001700200023002600290032009516001900220025002800310090150018002100240027003000良好8514001650190021502450275080130015001700190022002500与格7812401430162018202110240076118013601540174020202300741120129014601660193022007210601220138015801840210070100011501300150017502000689401080122014201660190066880101011401340157018006482094010601260148017006276087098011801390160060700800900110013001500表1-4 女生肺活量单项评分表〔单位:毫升〕等级单项得分一年级二年级三年级四年级五年级六年级优秀1001400160018002000225025009513001500170019002150240090120014001600180020502300良好8511001300150017001950220080100012001400160018502100与格7896011501340153017702010769201100128014601690192074880105012201390161018307284010001160132015301740708009501100125014501650687609001040118013701560667208509801110129014706468080092010401210138062640750860970113012906060070080090010501200表1-5 男生50米跑单项评分表〔单位:秒〕等级单项得分一年级二年级三年级四年级五年级六年级优秀1009590良好8580与格78767472706866646260表1-6 女生50米跑单项评分表〔单位:秒〕等级单项得分一年级二年级三年级四年级五年级六年级优秀1009590良好8580与格78767472706866646260表1-7 男生坐位体前屈单项评分表〔单位:厘米〕等级单项得分一年级二年级三年级四年级五年级六年级优秀1009590良好8580与格78767472706866646260表1-8 女生坐位体前屈单项评分表〔单位:厘米〕等级单项得分一年级二年级三年级四年级五年级六年级优秀100959016.9良好8580与格78767472706866646260表1-9 男生一分钟跳绳单项评分表〔单位:次〕等级单项得分一年级二年级三年级四年级五年级六年级优秀100109117126137148157951041121211321431529099107116127138147良好8593101110121132141808795104115126135与格788088971081191287673819010111212174667483941051147259677687981077052606980911006845536273849366384655667786643139485970796224324152637260172534455665表1-10 女生一分钟跳绳单项评分表〔单位:次〕等级单项得分一年级二年级三年级四年级五年级六年级优秀1001171271391491581669511012013214215115990103113125135144152良好8595105117127136144808797109119128136与格78809010211212112976738395105114122746676889810711572596981911001087052627484931016845556777869466384860707987643141536372806224344656657360172739495866表1-11 男生一分钟仰卧起坐评分表〔单位:次〕等级单项得分三年级四年级五年级六年级优秀1004849505195454647489042434445良好85394041428036373839与格7834353637763233343574303132337228293031702627282968242526276622232425642021222362181920216016171819表1-12 女生一分钟仰卧起坐单项评分表〔单位:次〕等级单项得分三年级四年级五年级六年级优秀1004647484995444546479042434445良好85394041428036373839与格7834353637763233343574303132337228293031702627282968242526276622232425642021222362181920216016171819表1-13 男生50米×8往返跑单项评分表〔单位:分·秒〕等级单项得分五年级六年级优秀1001'36"1'30"951'39"1'33"901'42"1'36"良好851'45"1'39"801'48"1'42"与格781'51"1'45"761'。

下载提示
相似文档
正为您匹配相似的精品文档