文档详情

大厦商务写字楼工程检验批划分

cl****1
实名认证
店铺
DOCX
172.91KB
约160页
文档ID:501235875
大厦商务写字楼工程检验批划分_第1页
1/160

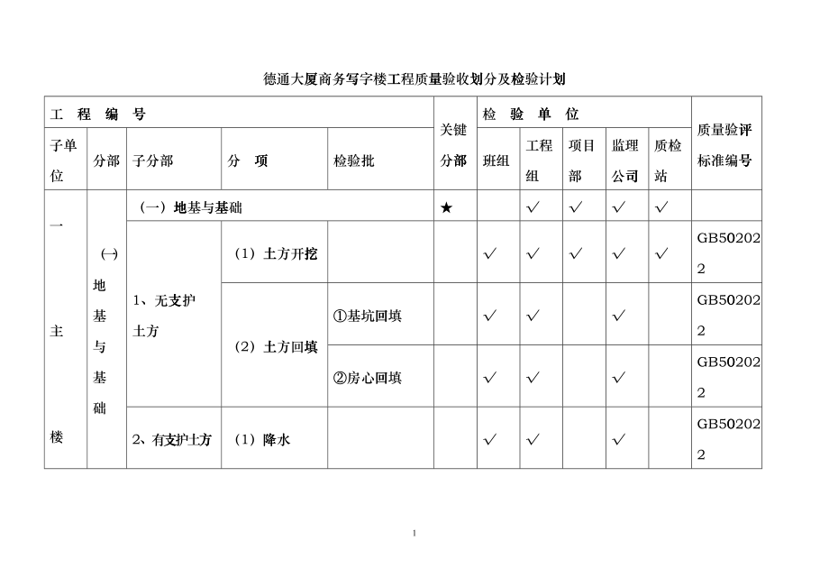
德通大厦厦商务写写字楼工工程质量量验收划划分及检检验计划划工 程程 编编 号号关键分部部检 验验 单单 位位质量验评评标准编号号子单位分部子分部分 项项检验批班组工程组项目部监理公司司质检站一主楼(一)地基与基础(一)地地基与基基础★√√√√1、无支支护土方(1)土土方开挖挖√√√√√GB5002022(2)土土方回填填①基坑回回填√√√GB5002022②房心回回填√√√GB50020222、有支支护土方方(1)降降水√√√GB50020223、地下下防水(1)防防水砼√√√GB5002088(2)涂涂料防水水√√√√GB50020884、砼基基础(1)筏筏板反梁梁模板√√√GB5002022(2)筏筏板反梁梁钢筋√√√√√GB5002022(3)筏筏板反梁梁砼√√√√GB5002022(4)剪剪力墙柱柱模板①核心筒筒、内框框柱√√√GB5002044②挡土墙墙、剪力力墙√√√GB5002044(5)剪剪力墙柱柱钢筋①核心筒筒、内框框柱√√√√GB5002044②挡土墙墙、剪力力墙√√√√GB5002044(6)剪剪力墙柱柱砼①核心筒筒、内框框柱√√√√GB5002044②挡土墙墙、剪力力墙√√√√GB5002044(7)顶顶板、梁梁模板√√√√GB5002044(8)顶顶板、梁梁钢筋√√√√GB5002044(9)顶顶板、梁梁砼√√√GB50020445、砌体体基础砖基础√√√GB5002033德通大厦厦商务写写字楼工工程质量量验收划划分及检检验计划划工 程程 编编 号号关键分部部检 验验 单单 位位质量验评评标准编号号子单位分部子分部分 项项检验批班组工程组项目部监理公司司质检站一主楼(二)主主体结构(二)主主体结构构★√√√√GB50020441、 砼结构(1)模模板①一层模模板√√√GB5002044②二层模模板√√√GB5002044③三层模模板√√√GB5002044④四层模模板√√√GB5002044⑤五层模模板√√√GB5002044⑥六层模模板√√√GB5002044⑦七层模模板√√√GB5002044⑧八层模模板√√√GB5002044⑨九层模模板√√√GB5002044⑩十层模模板√√√GB5002044⑾十一层层模板√√√GB5002044⑿十二层层模板√√√GB5002044⒀十三层层模板√√√GB5002044⒁十四层层模板√√√GB5002044⒂十五层层模板√√√GB5002044⒃十六层层模板√√√GB5002044⒄十七层层模板√√√GB5002044⒅十八层层模板√√√GB5002044德通大厦厦商务写写字楼工工程质量量验收划划分及检检验计划划工 程程 编编 号号关键分部部检 验验 单单 位位质量验评评标准编号号子单位分部子分部分 项项检验批班组工程组项目部监理公司司质检站一主楼(二)主主体结构⒈砼结构构⑴模板⒆十九层层模板√√√GB5002044⒇二十层层模板√√√GB5002044⑵钢筋①一层钢钢筋√√√√√GB5002044②二层钢钢筋√√√GB5002044③三层钢钢筋√√√GB5002044④四层钢钢筋√√√GB5002044⑤五层钢钢筋√√√√√GB5002044⑥六层钢钢筋√√√GB5002044⑦七层钢钢筋√√√GB5002044⑧八层钢钢筋√√√GB5002044⑨九层钢钢筋√√√√√GB5002044⑩十层钢钢筋√√√GB5002044⑾十一层层钢筋√√√GB5002044⑿十二层层钢筋√√√GB5002044⒀十三层层钢筋√√√GB5002044⒁十四层层钢筋√√√√√GB5002044⒂十五层层钢筋√√√GB5002044⒃十六层层钢筋√√√GB5002044⒄十七层层钢筋√√√GB5002044德通大厦厦商务写写字楼工工程质量量验收划划分及检检验计划划工 程程 编编 号号关键分部部检 验验 单单 位位质量验评评标准编号号子单位分部子分部分 项项检验批班组工程组项目部监理公司司质检站一主楼(二)主主体结构⒈砼结构构⑵钢筋⒅十八层层钢筋√√√GB5002044⒆十九层层钢筋√√√√√GB5002044⒇二十层层钢筋√√√GB5002044⑶砼①一层砼砼√√√√GB5002044②二层砼砼√√√GB5002044③三层砼砼√√√GB5002044④四层砼砼√√√GB5002044⑤五层砼砼√√√√GB5002044⑥六层砼砼√√√GB5002044⑦七层砼砼√√√GB5002044⑧八层砼砼√√√GB5002044⑨九层砼砼√√√√GB5002044⑩十层砼砼√√√GB5002044⑾十一层层砼√√√GB5002044⑿十二层层砼√√√GB5002044⒀十三层层砼√√√GB5002044⒁十四层层砼√√√√GB5002044⒂十五层层砼√√√GB5002044⒃十六层层砼√√√GB5002044德通大厦厦商务写写字楼工工程质量量验收划划分及检检验计划划工 程程 编编 号号关键分部部检 验验 单单 位位质量验评评标准编号号子单位分部子分部分 项项检验批班组工程组项目部监理公司司质检站一主楼(二)主主体结构⒈砼结构构⑶砼⒄十七层层砼√√√GB5002044⒅十八层层砼√√√GB5002033⒆十九层层砼√√√GB5002033⒇二十层层砼√√√GB5002044⒉砌体结结构配筋砌体体①地下室室砌体√√√GB5002033②一~三三层砌体体√√√√GB5002033③四~六六层砌体体√√√GB5002044④七~九九层砌体体√√√GB5002033⑤十~十十二层砌砌体√√√GB5002033⑥十三~~十五层层砌体√√√GB5002044⑦十六~~十八层层砌体√√√√GB5002033⑧十九~~二十层层砌体√√√GB5002033⒊索膜结结构索膜安装装√√√GB5002055(三)建建筑装饰饰装修㈢建筑装装饰装修修√√√⒈地面⑴基层①地下室室基层√√√GB5002099②一~三三层基层层√√√GB5002099③四~六六层基层层√√√GB5002099④七~九九层基层层√√√GB5002099⑤十~十十二层基基层√√√GB5002099德通大厦厦商务写写字楼工工程质量量验收划划分及检检验计划划工 程程 编编 号号关键分部部检 验验 单单 位位质量验评评标准编号号子单位分部子分部分 项项检验批班组工程组项目部监理公司司质检站一主楼(三)建建筑装饰饰装修⒈地面⑴基层⑥十三~~十五层层基层基基层√√√GB5002099⑦十六~~十八层层基层√√√GB5002099⑧十九~~二十层层基层√√√GB5002099⑵砖地面面①地下室室砖地面面√√√√GB5002099②一~三三层砖地地面√√√GB5002099③四~六六层砖地地面√√√GB5002099④七~九九层砖地地面√√√GB5002099⑤十~十十二层砖砖地面√。

下载提示
相似文档
正为您匹配相似的精品文档