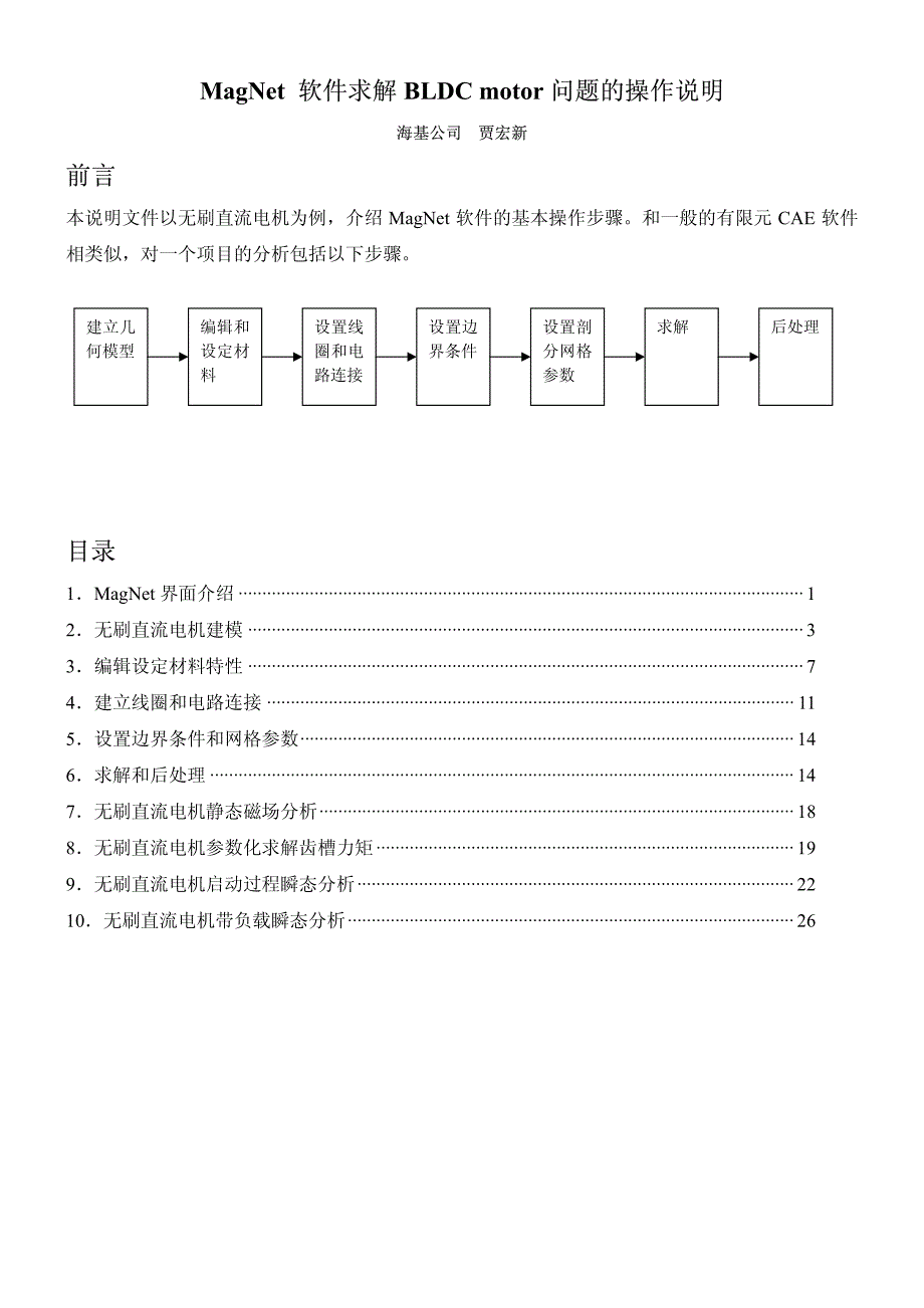
MagNet 软件求解软件求解 BLDC motor 问题的操作说明问题的操作说明 海基公司海基公司 贾宏新贾宏新 前言前言 本说明文件以无刷直流电机为例,介绍 MagNet 软件的基本操作步骤和一般的有限元 CAE 软件 相类似,对一个项目的分析包括以下步骤 目录目录 1.MagNet 界面介绍······················································································································· 1 2.无刷直流电机建模 ····················································································································· 3 3.编辑设定材料特性 ····················································································································· 7 4.建立线圈和电路连接 ··············································································································· 11 5.设置边界条件和网格参数········································································································ 14 6.求解和后处理··························································································································· 14 7.无刷直流电机静态磁场分析···································································································· 18 8.无刷直流电机参数化求解齿槽力矩························································································ 19 9.无刷直流电机启动过程瞬态分析···························································································· 22 10.无刷直流电机带负载瞬态分析······························································································ 26 建立几 何模型 编辑和 设定材 料 设置线 圈和电 路连接 设置边 界条件 设置剖 分网格 参数 求解 后处理 1. MagNet 界面介绍界面介绍 安装 MagNet 和相应的 License 后,可以运行 MangNet。
在 Windows 系统中,点击开始-程序- MagNet-MagNet 启动 MagNet其主要的界面如下 1) 下拉式菜单 File:新建、打开、保存文档,输入、输出模型、动画等 Edit:Undo、Redo,拷贝,粘贴,删除各种类型的选择功能等 Draw:光标方式,画直线、圆弧、圆等,移动、旋转、镜像等,布尔操作等 Model:生成实体,对实体进行操作,生成线圈,运动部件等等 Boundary:各种边界调节,表面阻抗,簿壁特征等 Circuit:打开电路窗口,设置电阻、电感、电容、开关、换向器等电路元件,进行连接、移动、 对齐等 Solve:选择求解器,设定求解参数、时间步长等 View:各种视图选项和设定等 Tools:动画、脚本工具,场量探针,各种工具条的打开和关闭操作等 Window:窗口操作等 Help:帮助文件,对应相关操作的脚本等 1 234 56 789 10 11 14 12 13 15 16 2) 边界条件 3) 运行脚本,VBS 格式的文件 4) 直线、圆弧分段工具 5) 模型视图旋转调节 6) 模型视图角度调节 7) 移动复制旋转等操作 8) 电子元件 9) 电子元件的排列 10) 项目操作窗口 Object:对文件中的元件,线圈,电路等操作 Material:定义,编辑材料库 Coil:对线圈定义 Problem:求解问题列表 Field:显示求解后的各种场量 View:各种视图参数 11) 选取工具 12) 画线、圆弧、圆工具 13) 生成实体工具 14) 建模及显示窗口 15) 电路图窗口 16) 键盘输入工具 2. 建立无刷直流电机模型建立无刷直流电机模型 本 BLDC 电机模型:转子 4 极,粘接 NdFeb 磁铁,沿径向冲磁。
转子外径是 14mm单边气 隙 0.5mm定子 6 齿,集中绕组,每齿 100 匝,导线截面积 0.2025e-6m2,定子外径 32mm 采用其他 CAD 软件建立的 2D/3D 模型可以方便地与 MagNet 接口 可导入/导出的文件类型包 括:AutoCAD, SAT, CATIA, PRO/E, IGES, STEP, INVENTOR 等 模型可以以 2D 模型导入,如 AutoCad 格式的 DXF 文件,然后再经过拉伸、旋转等生成 3D 实体 模型也可以以 3D 模型导入,如 SAT 格式的文件在导入后,如果模型中心不在原点上,可以 通过移动模型,把中心放在原点上 模型也可以直接在 MagNet 里面建立基于 Raster Graphics 技术,通过画线,圆弧,圆或它们 的组合,生成封闭区域,再对这个封闭区域做拉伸,旋转等来生成实体2D 作图是在 Construction Slice 上完成的,默认的 Construction Slice 是 XY 平面当然这个 Construction Slice 可以移动到 3D 空间的任何地方,再作图和生成实体 如下图所示,我们在 XY 平面建立了 2D 曲线。
用“Select Construction Slice Surfaces”选择定子部分 用“Make Component in a Line”生成实体弹出对话框,设定参数,如拉伸距离,选择材料, 定义实体的名字等 点击 Ok,生成定子铁心实体 当生成永磁体时,注意要选择相应的冲磁方向 如下图所示,选择径向指向外的方向 对于气隙的处理,可以分为 4 层,外侧 2 层归为定子部分;内侧 2 层归为转子部分这样可以 以气隙的中心线为转动部分的分界线,同时 4 层设定可以提高求解精度 对于要考虑漏磁的模型,一般要在定子外侧设定空气 AirBox 因此,完整的模型如下图 3. 编辑设定材料特性编辑设定材料特性 为了正确的分析电磁场和热问题,Infolytica 把所有材料的属性设定为温度的函数,或者温度 和频率的函数ManNet 的材料库在不同系统之间可灵活转换,用户可以输入已有的模型材料库, 并对已定义的材料进行更新 用户通过材料模板可以对所使用的材料属性进行创建和编辑 在给用 户提供尽可能多的用户向导的基础上,材料模型大大简化了材料的创建过程 材料库列出了所有可以应用到模型中的材料 当用户在某个部件中使用某一个材料时, 该材料 的备份会保存在部件中, 使得部件的描述更完整。
因此, 将单独一个部件的文件发送给相关同事时, 不需要将整个材料库发送给对方 低频材料库包括了 65 种预定义的材料用户定义材料库中包括了用户创建和修改的材料 下图所示为 Material 页其中 1 为系统自带的材料库2 为用户自定义的材料库3 为本模型 中使用的 1 和 2 中的材料 比如本模型中使用的硅钢片 50W350 为自己新创建的在“UserDefineMaterials”点击鼠标右 键,出现“New Users Material” ,点击它打开材料定义模板依次选择和输入相关参数,来完成定 义如 BH 曲线,损耗曲线 1 2 3 对于具有线性退磁曲线的粘接 NdFeB 来说,只需要定义相对磁导率和矫顽力 4. 建立线圈和电路连接建立线圈和电路连接 选择一个或多个实体,并点击“model-》Make Simple Coil”可以生成线圈如下图所示 其中规定的电流方向能够在窗口中显示出来,当然,这个方向可以更改 流入纸面 流出纸面 可以定义编辑线圈特性,如名字,匝数,电流正方向,截面积,电压激励或电流激励等 把所有的线圈都定义好后, 如有必要外接驱动电路, 可以打开 “Circuit-》 New Circuit Window” 在电路窗口建立设备的驱动电路,并将电路与所分析的模型相连。
对于有运动部件的模型,比如电机的转子,要设定“motion”特性 在 Object 窗口中选择参与运动的实体,再点击“Model-》Make Motion Component”生成 “Motion#1” 可以编辑运动部件的参数,如负载驱动/速度驱动、旋转运动/直线运动、负载大小、设定质量 或转动惯量等参数 5. 设定边界条件和网格参数设定边界条件和网格参数 边界条件定义了在边界和未求解区域的场分布情况默认的一元边界条件是磁力线平行于边 界对于部分建模的电机,比如只求解一个极或两个极,则要定义二元边界条件:奇对称(Odd Periodic Boundary)或偶对称(Even Periodic Boundary)边界条件 未提高求解精度和速度,对不同的实体,设定不同的网格大小一般气隙设小一点另外还可 以设定直线,圆弧分段来控制网格数,或者设定曲率大小来控制网格数 如下图设定了转子网格大小 6. 求解和后处理求解和后处理 对不同问题,选择合适的求解器如 2D 或 3D、静态或动态 还要设定求解参数 对于瞬态求解器,还要设定时间步长等 求解后,可以在“Field”窗口显示各种场量如磁力线和磁密分布。
所显示的场量数据是可以通过“Probe Field”工具来提取如气隙磁密分布曲线和数据 对于时间谐振、瞬态和参数化求解的结果,还可以生成动画 打开“Post Processing Bar” ,可以得到更多的量如磁场储能,力和力矩,电流,电压,损耗,速 度,加速度,位置等等 并能输出数据和曲线如速度曲线 7. 无刷直流电机静态磁场分析无刷直流电机静态磁场分析 “Static 2D”求解器可以用来观察永磁极产生的磁场分布情况这时,可以不用连接复杂的电路 求解后,可以观察各种场量,如磁力线等位线分布图(左图) 右图是气隙中的磁链曲线 磁感应密度 B 的分布云图(左图)和气隙中曲线(右图) 磁感应密度 B 的分布矢量图 8.无刷直流电机参数化求解齿槽力矩.无刷直流电机参数化求解齿槽力矩 MagNet 有强大的参数化能力所谓参数化,就是定义一组参数(参数可以是模型尺寸,材料特性, 外加激励等等) ,求解器把所有的工况连续计算出结果,并可以生成相应的曲线来比较 比如本例中要计算齿槽力矩,可以定义转子部分的旋转角度参数,每个角度值计算一次 在 Object 窗口右键点击文件名,选择“Properties” 。
在“Parameters”页面中定义参数“myangle” ,并定义角度 0º~30º,间隔 1º,即要计算 。