文档详情

工地扬尘台账

人***
实名认证
店铺
DOCX
70.74KB
约20页
文档ID:474665373
工地扬尘台账_第1页
1/20

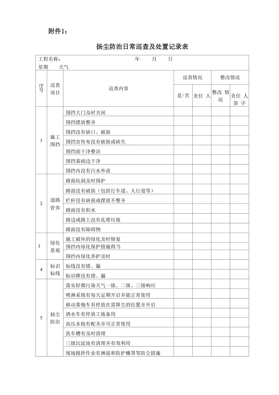
附件1:扬尘防治日常巡查及处置记录表工程名称: 年 月 日星期 天气序 号巡查 项目巡查内容巡查情况整改情况是/否责任 人整改 情况责任 人签 字1施工 围挡围挡大门及时关闭围挡摆放整齐围挡没有缺口、破损围挡宣传布没有破损或缺失围挡面干净整洁围挡基础边干净围挡内没有污水外流2道路 管养路面坑洞及时围护路面没有破损(包括行车道、人行道等)栏杆没有缺损或摆放不整齐路面没有积水路边或路上没有乱堆垃圾路面没有障碍物3绿化 景观施工破坏的绿化及时修复围挡内绿化保护措施得当围挡内绿化养护及时4标识 标线标线没有错、漏标识牌没有错、漏5扬尘 防治落实轻微污染天气一级、二级、三级响应喷淋系统有每天定期开启并能正常使用移动雾炮车有停放在需降尘的位置并开启洒水车有停放工地备用高压水枪有配齐并可正常使用洗车槽有及时清理三级沉淀池有清理并有效利用现场搅拌作业有淋湿和防护栅罩等防尘措施废水没有随意排放场地内没有明显或大面积积尘场地内没有明显或大面积积水场地有硬化裸土有及时全覆盖或种草正在作业的区域有定期洒水或喷洒水雾以保持 必要的湿度进行切割、钻孔、挖土、装卸、清扫施工场地 等易产生粉尘作业时,必须采取洒水、喷雾等 降尘措施。

已分区施工并设置隔离栅,绿网没有破损扬尘防治专项方案完善扬尘防治责任书有层层落实每月有组织扬尘防治自查自纠施工单位有建立扬尘防治奖惩制度台账齐全(日常自查记录、喷淋记录、洗车槽 及沉淀池清理记录、渣土车辆进出场台账记录、 日常保洁记录、扬尘防治工作总结等)6净车 上路运输有防滴、洒、漏措施车辆上路不超载道路无污染“渣土出运(计划)日报表”有报送指挥部及 监理夜间值班人员7水马 检查水马材质满足要求水马没有破损水马干净整洁水马有灌水或灌砂配重水马摆放整齐8物资备用物资已备齐9其它材料堆放整齐备注施工单位: 监理单位:说明:1.表中责任人是指整改存在问题的负责人,其中存在问题一栏责任人由巡查组填写明 确谁,落实情况一栏由整改负责人填写并签字;2•是打“丿”、否打“X”; 3•巡查发现的其 它问题,可按序号在备注栏内填写;4.施工单位、监理单位可联合巡查 5、整改情况请附 整改前与整改后照片,方便各单位核实附件2:扬尘防治工作总结编制: 审核: 年月、项目概况及工程进度(根据实际情况填写)二、扬尘防治措施落实情况(以下内容需文字描述本月工作落实情况,并附相关现场照片)1、降尘设备的日常开启情况工程范围内的喷淋设施、雾炮、洒水车等防尘设备的配备情况(当工程范围变更 或设备新增时,要介绍当月的变化情况),以及设备的使用情况(附台账及实景照片)2、轻微污染天气应急响应情况介绍应急响应启动的次数、等级、采取的措施等(台账记录及照片)。

3、裸土等的覆盖情况主要包括土方的产生量、覆盖情况及清运情况等4、净车上路措施落实情况介绍场地洗车台及洗车槽等设置情况、清运情况、车辆出入时的清洗情况,附台账场地变更或洗车设备变化时需在当月重点说明5、其它扬尘防治措施开展情况三、存在问题及整改情况分三个小章节分别介绍本月扬尘防治工作中存在的问题,包括问题情况、时间、 整改情况等(图文结合)1、环委办、市城管综合考评办2、建设单位3、工程监理4、环境监理每个小章节格式如下(1)存在问题的描述:四、自查自纠项目部于 XX 年 X 月 X 日组织 XXX、XXX 等人员对施工现场进行了扬尘防治 自查自纠检查,现将检查情况汇总如下:(1)存在问题的描述:(2)问题整改情况:1、亮点2、不足六、下月扬尘防治工作计划附件3:日常保洁记录表工点名称:序号日期时间保洁人员(签字)保洁负责 人(签字)备注123456789101112131415说明:表内“时间”一栏填写的是每天上午 7:00、下午17:00 这两个时段的保洁完成 情况,其它时间段保洁工作不间断,原则是“有脏就保洁”附件4:洗车槽沉淀池清理记录备注:请各工点对应自身情况及出土量进行填写,当天有清理的打V,未清理的填X。

附件5:建筑工地运输车辆出场检查登记表内打“丿”、不符合打“X”附件:6:雾炮记录表工点名称: 日期:2021年 月 日序号日期雾炮运行时间雾炮工人 签字负责人签字备注开启关闭1234567891011121314附件:7:喷淋记录表工点名称: 日期:2021年 月 日序号日期喷淋运行时间喷淋工人 签字负责人签字备注开启关闭1234567891011121314附件:8:洒水记录表工点名称:日期:2021年 月 日序号日期洒水运行时间喷淋工人 签字负责人签字备注开启关闭1234567891011121314附件9:渣土出运(计划)日报表工程名称:: (盖章) 日期:2021年 月 日序号工点渣土出运时间预计出渣 量(车/m3)行走路线责任人/联系123456789101112标段负责人: (签字)注:1、各标段负责汇总,经施工单位标段项目负责人签字或加盖项目部公章后,每天下 午16:00前将电子版扫描件发给马銮湾指挥部(3356379294@.com)、监理值班人员及“市 马指-新城蓝”群,相关人员负责督促落实2、未出渣的站点可不必填报附件10:施工现场扬尘治理专项检查(验收)表检查单位:监理单位 检查日期: 年 月 日工程名称工程地点代建单位监理单位施工单位工程规模检查内容得分1、施工现场周边采取围挡措施,门前及围挡附近及时清扫。

10分)2、施工现场主要道路及场地按要求进行硬化处理10分)3、施工现场裸露地面、土堆按要求进行覆盖、固化或绿化10分)4、外脚手架按要求采用密目网进行封闭10分)5、施工现场按要求洒水降尘易产生扬尘的机械应配备降尘防尘装置,易产生扬尘的建材 按要求存放在库房或者严密遮盖10分)6、建筑垃圾土方砂石运输车辆应采取措施防止车辆运输遗撒,手续齐全10分)7、清理垃圾须采用密闭式专用垃圾道或采用容器吊运8分)8、施工现场按要求配置安装环境监控系统8分)9、施工现场设置一定数量的分类垃圾桶,并保持环境8分)10、施工现场按要求使用预拌混凝土和预拌砂浆8分)11、施工现场按要求设置专业化洗车设备或设置冲洗车辆的设施8分)检查得分(实得分/应得分*100)检查结果:达标( ) 不达7标( )监理单位(签字)项目经理(签字)联系附件 11:扬尘治理和建筑垃圾处置责任公示牌工程名称建设单位项目负责人施工总承包单位项目负责人环保监督员土方施工单位项目负责人土方运输单位项目负责人渣土消纳许可证编号渣土消纳场所名称区县监督机构城管热线城市管理热线 施工单位附件 12:施工现场扬尘治理达标情况统计表填报单位(盖章): 填报日期: 年 月 日截止日期。

下载提示
相似文档
正为您匹配相似的精品文档